back to
AS-Motor
>
AS 53 Allrad
>
AS 53 B5 (ab FNr. 008000404036)
>
HRB
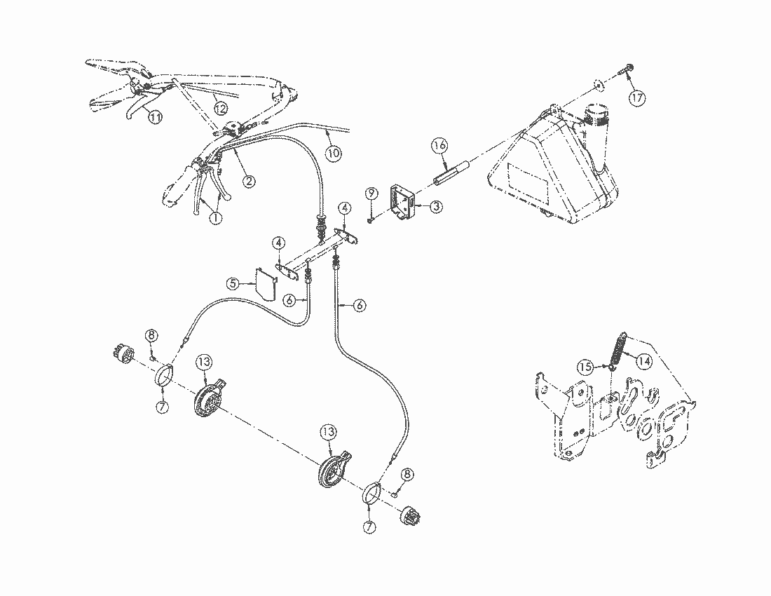
Spare Parts Lists for AS Motor AS 53 Allrad HRB
pos.
decription
spare part number
1
BETÄT.HEBEL M.DOPPELGELENKSTÜCK
E07133
2
BREMSZUG (VON BETÄT.HEBEL)
E07277
3
BREMSVERTEILER GEHÄUSE
E05442
4
BREMSHEBEL
E05443
5
BREMSVERTEILER DECKEL
E05447
6
BREMSZUG (VON BREMSBAND)
E07278
7
BREMSBAND
E05448
8
QUERNIPPEL
E05449
9
LINSENFLANSCHKOPFSCHRAUBE
E06733
10
KUPPL.ZUG VORWÄRTSGANG
E07980
11
Betätigungshebel
E07542
12
KUPPL.ZUG RÜCKWÄRTSGANG
E07981
13
KLEMMBRILLE
E07250
14
ZUGFEDER
E07539
15
ROHRNIET
E07540
16
BEFESTIGUNGSBOLZEN
E07538
17
GEW.FURCH.SECHSK.SCHRAUBE
E05423
Lists
AS Motor
AS Batterierasenmäher
AS 45 Ausputzmäher
AS 46 Variomat
AS 45 Universal
AS 53 Standard
AS 53 Allrad
AS 53 B5/R
AS 53 B5 (ab FNr. 008000404036)
Hinterachse
Vorderachse
Antrieb
Riemen
Holm
Grundmotor
Antriebsblock
Starter/Messer bis FNr.008005404200
Starter
Messer ab FNr.008006101000
Vergaser
Fangsack
HRB
AS 53 B1/R
AS 53 B6/RB
AS 55 Heckauswurf
AS 550 Heckauswurf
AS Allmäher
AS Enduro
AS Schlegelmäher
AS Mulchmeister
AS Aufsitzmäher
Samix Gartenhäcksler
AS Wildkraut-Hex
Verschleissteile
Terms and Conditions
(C) by motoruf