back to
Solo
>
Pesticide Applicators
>
Mistblowers
>
PORT 423 / PORT 423 FP
>
SP 07/1996 Print 9 423 746
>
Accessories
Spare Parts Lists for Solo Pesticide Applicators Accessories
pos.
decription
spare part number
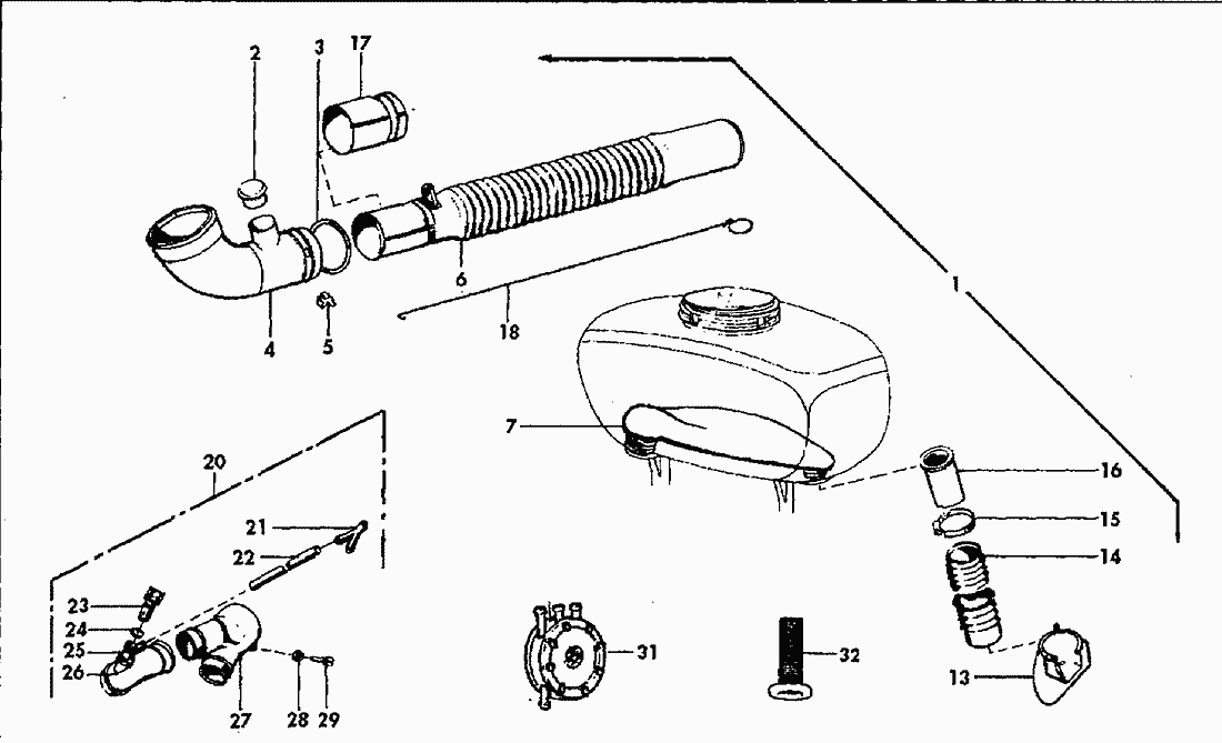
1
4900233
2
4074346
3
0062119
4
4073140
5
4074250
6
4400156
7
4071175
13
4074324
14
4071199
15
0066178
16
4074266
17
0061157
18
0043105
20
4900137
21
4074143
22
0064138
23
4074165
24
0062267
25
4074307
26
4073238
27
4073155
28
0020106
29
0010146
--
4900169
31
4400117
32
2500198
Lists
Solo
Pesticide Applicators
Pressure Sprayers
Backpack Sprayers
Engine Backpack Sprayers
Mistblowers
Master 412 / Master 412 FP
PORT 423 / PORT 423 FP
SP 11/1989 Print 9 423 743
SP 10/1992 Print 9 423 744
SP 04/1997 Print 9 423 745
SP 07/1996 Print 9 423 746
Engine
Tank Frame / Blower Housing
Spray tube
Accessories
Starter
SP 03/1999 Print 9 423 747
SP 07/2001 Print 9 423 748
PORT 423 S
444
450
Self-Propelled Misting Machines
Spreaders
Chain Saws
Motorised Trimmers
Rotor Tillers
Sickle Bar Mowers
Soil Aerator
Lawn Mower
Air Blowers
Multimot
Terms and Conditions
(C) by motoruf