back to
>
Roth / TORO
>
Hand operated
>
Lawnmower
>
4-stroke SP
>
439
>
330000
>
Drive Assy.
Spare Parts Lists for Toro Roth / TORO Drive Assy.
pos.
decription
spare part number
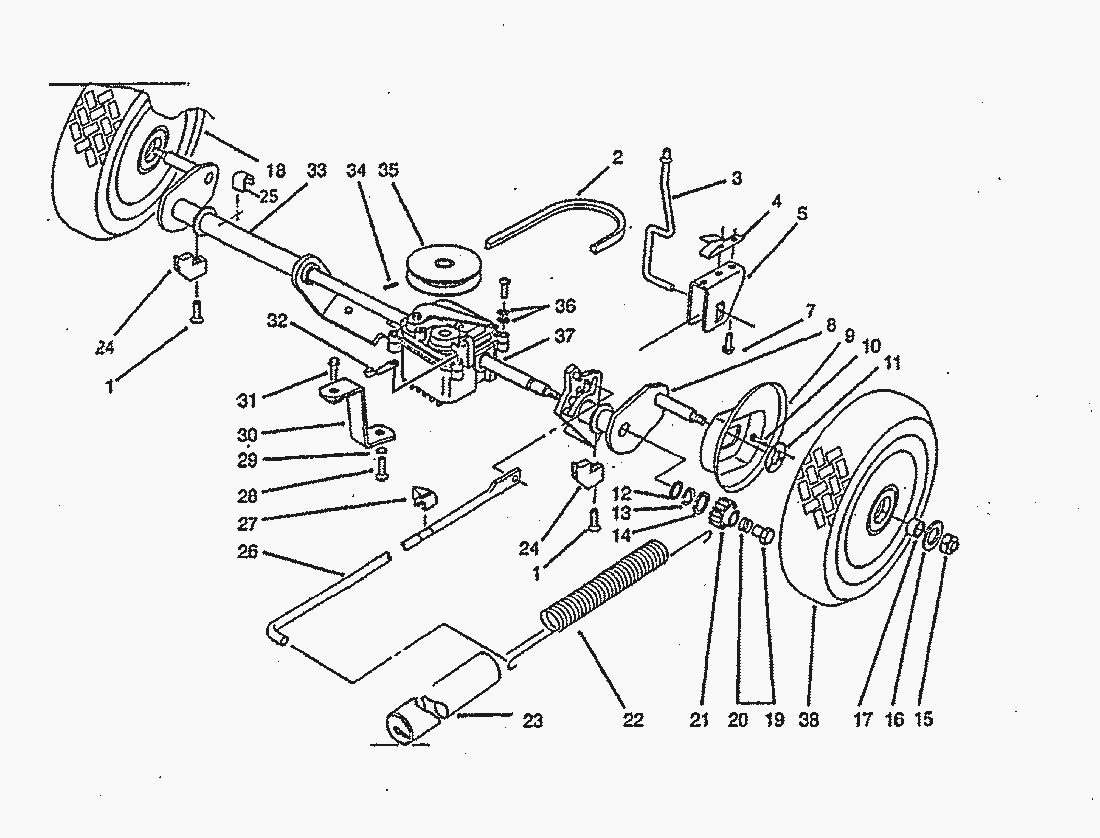
1
SCHRAUBE
18587
2
19352
3
STELLSTREBE
20009
4
BLATTFEDER
18308
5
RASTE
18306
7
FORMSCHRAUBE
12393
8
19312
9
18377
10
SPEZIALSCHRAUBE
13072
11
ZAHNRAD
18105
12
STUETZSCHEIBE
17711
13
SICHERUNGSSCHEIBE
03899
14
TOPFSCHEIBE
13340
15
STOPMUTTER
10988
16
SCHEIBE
13853
17
GLEITLAGER
07542
18
RAD
17551
19
* FREILAUF KOMPL. LINKS
12619
20
* FREILAUF KOMPL. RECHTS
12620
21
RITZEL
12558
22
AUSGLEICHSFEDER
18338
23
FEDERABDECKUNG
18339
24
ACHSHALTER
19584
25
LAGERSCHALE HINTEN
19586
26
VERBINDUNGSSTANGE
18305
27
ZEIGER
18355
28
SCHRAUBE
06242
29
ZAHNSCHEIBE
10774
30
18548
31
06691
32
19216
33
19313
34
20546
35
RIEMENSCHEIBE
19351
36
SCHEIBE
13043
37
19356
38
19452
Lists
Toro
Roth / TORO
Ride-On Mowers
Hand operated
Sweeper
Snowthrower
Vac/Blower
Lawnmower
Grass Baggers
4-stroke SP
498/26638
498/26633
498/26633 B
498/26631 B
496/26639
496/26636
496/26636 B
496/26635 BC
496/26625 BG
495/26637
495/26632
495/26632 B
495/26630 BC
495/26630 BG
495/26620 BG
494/20784
494/20791
493/20783
493/20789
492/20787
492/20778
491/20786
491/20777
491/20328 B
490/20327 B
489/20927 B
489/20926 B
489/20925
488/20920
487/20914
487/20909 BC
487/20905
479
477
469
465/20781
465/20779
464
459/20824
459/20821
459/20821 B
459/20820 BC
458/20823
458/20822
457
456/20808
456/20808 B
456/20807 BC
456/20806 B
455/20803
455/20803 B
455/20802 BC
455/20801 B
453
449
439
330000
Engine B&S
Bag
Handle Control
Handle
Motor
Blade
Gearbox Assy.
Drive Assy.
Partslist
320000
310000
300000
290000
280000
437/22173
437/22157
437/22154
437/22154 B
437/22153 BC
434
424
421/20652
417/20832
417/20829
417/20827
416/20831
416/20828
416/20826
415/20817
415/20811
4-stroke
2-stroke SP
2-stroke
Electric
Battery
Robin
Terms and Conditions
(C) by motoruf