back to
>
Roth / TORO
>
Hand operated
>
Lawnmower
>
4-stroke
>
438
>
300000
>
Drive Assy.
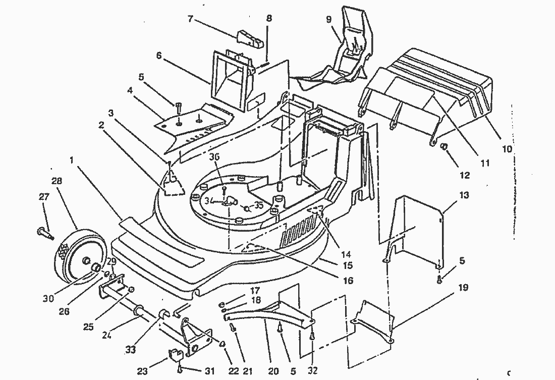
Spare Parts Lists for Toro Roth / TORO Drive Assy.
pos.
decription
spare part number
1
19349
2
DEFLEKTOR RECHTS VORNE
19338
3
19341
4
RIEMENABDECKUNG
18314
5
FORMSCHRAUBE
12393
6
GRIFFSCHALE
18547
7
STELLTASTE
20010
8
STIFT
18344
9
19342
10
AUSWURFKLAPPE
19867
11
HINWEISSCHILD
19884
12
HOLMLAGERBUCHSE
18460
13
TRENNWAND
19965
14
19340
15
19960
16
19339
17
19111
18
19373
19
*** keine Bezeichnung vorhanden
1R3o1
20
19371
21
19372
22
SICHERUNGSKAPPE
18867
23
ACHSHALTER
19584
24
VORDERACHSE
19275
25
STOPMUTTER
19624
26
WELLENSCHEIBE
18868
27
RADBOLZEN
19623
28
VORDERRAD
18304
29
SCHEIBE
18454
30
RADLAGER
18459
31
SCHRAUBE
18587
32
SCHRAUBE
13567
33
LAGERSCHALE VORN
19585
34
20028
35
20029
36
20125
Lists
Toro
Roth / TORO
Ride-On Mowers
Hand operated
Sweeper
Snowthrower
Vac/Blower
Lawnmower
Grass Baggers
4-stroke SP
4-stroke
486/20904 BC
486/20903 B
486/20902 B
486/20901 B
486/20900
478
476
455/20803
455/20803 B
455/20802 BC
455/20801 B
452
438
350000
340000
330000
320000
310000
300000
Engine B&S
Handle Control
Handle
Bag
Blade
Motor
Rear Axle
Drive Assy.
290000
280000
433
423
414/20814
414/20805
412
411
408
400
2-stroke SP
2-stroke
Electric
Battery
Robin
Terms and Conditions
(C) by motoruf