back to
>
Roth / TORO
>
Ride-On Mowers
>
Rider
>
8-25
>
372/70060
>
89000001
>
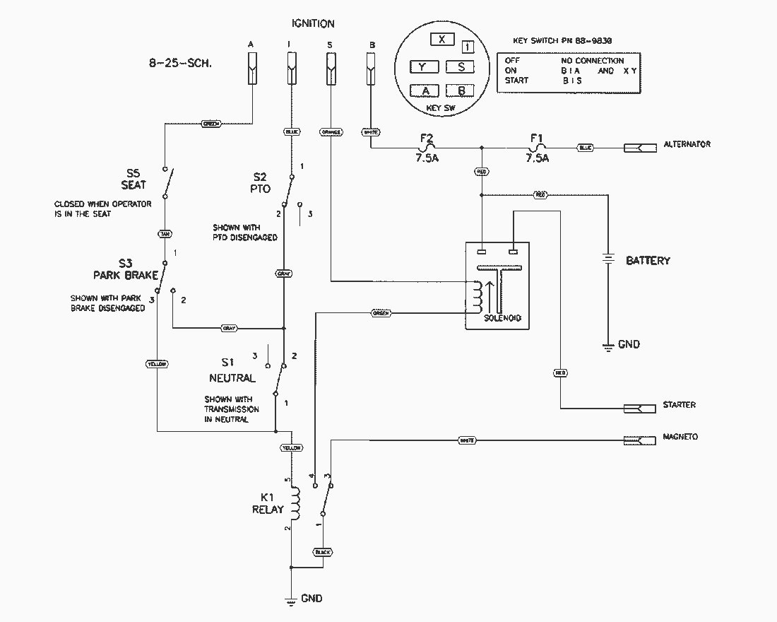
Electrical Schematic
Spare Parts Lists for Toro Roth / TORO Electrical Schematic
pos.
decription
spare part number
1
Harness-Wire
98-0706
Lists
Toro
Roth / TORO
Ride-On Mowers
Traktor
Rider
HMR 1600
12-32 E
12-32
11-32
10-32 E
8-25
372/70122
372/70060
89000001
Engine B&S Model 195707-0421-El
Engine B&S Model 195707-0421-E1
Transmission Peerlesss Model 700-025
Cutting Unit Assy.
Differential Assy.
Rear Axle Assy.
Electrical Schematic
Engine Assy.
Transmission & Linkage Assy. (Cont.)
Transmission & Linkage Assy.
Rear Body Assy.
Front Axle Assy.
Seat & Fuel Tank Assy.
Frame Assy.
Front Body Assy.
79000001
59000001
49000001
39000001
6900001
110-4E
110-4
Mower decks
Attachements
Hand operated
Robin
Terms and Conditions
(C) by motoruf