back to
>
Roth / TORO
>
Hand operated
>
Lawnmower
>
4-stroke SP
>
464
>
340000
>
Engine B&S
Spare Parts Lists for Toro Roth / TORO Engine B&S
spare parts list 1
spare parts list 2
spare parts list 3
spare parts list 4
spare parts list 5
spare parts list 6
spare parts list 7
pos.
decription
spare part number
4
Sump-Engine
493279
12
Crankcase Gasket
692232
15
Oil Drain Plug
691680
16
*** keine Bezeichnung vorhanden
692980
20
Seal-Oil
399781
22
Screw(Engine Sump)
691092
24
Key-Flywheel
222698
25
Piston Assy. (Standard)
499429
26
Ring Set (Standard)
499425
27
Piston Pin Lock
691866
28
Pin-Piston (Standard)
499423
29
Rod Assembly- Connecting
499424
32
Screw (Connecting Rod)
691664
33
Valve-Exhaust
262651
34
Valve-Intake
262652
35
Valve Spring(Intake)
691270
36
Valve Spring(Intake)
691270
40
Valve Retainer
692194
43
Governor/Oil Slinger
691997
45
Valve Tappet
690548
46
Camshaft
691449
146
Timing Key
690979
227
Governor ControlLever
690783
404
Washer(Governor Crank)
690272
505
Nut-Hex.-10-24
231082
562
Bolt, Governor Lever
92613
615
Governor Shaft Retainer
690340
616
Governor Crank
691306
741
Timing Gear
691830
pos.
decription
spare part number
95
Screw (Throttle Valve)
691636
97
Shaft and Lever-Throttle
493267
104
Float Hinge Pin
691242
117
Jet-Main (Std.) Note: 497315 Jet-Main (High Altitude)
494870
125
Carburetor
498170
127
Welch Plug
694468
130
Throttle Valve
691203
133
Float Assy.-Carburetor
398187
134
Valve-Inlet (Includes Seat)
398188
137
Gasket-Float Bowl
693981
163
Gasket-Air Cleaner
272653
276
Sealing-Gasket
271716
365
Screw (Carburetor)
692524
617
Seal-Fuel Intake Tube
270344
633
Dust Seal
691321
975
Bowl Assembly-Carburetor
493640
pos.
decription
spare part number
81
Muffler Screw Lock
691740
159
Air Cleaner PrimerBracket
691753
188
Screw (Control Bracket)
690877
202
Mechanical GovernorLink
691829
209
Spring-Governor
691292
222
*** keine Bezeichnung vorhanden
692031
300
Muffler-Exhaust
496106
425
Screw (Air Cleaner Cover)
690670
443
Screw (Air CleanerPrimer Base)
692523
445
Filter-Air
491588
529
Grommet
691923
613
Screw (Muffler)
691340
668
Spacer-Carburetor Bracket
493823
832
*** keine Bezeichnung vorhanden
499034
836
*** keine Bezeichnung vorhanden
690664
883
*** keine Bezeichnung vorhanden
691881
966
Base-Air Cleaner
496116
968
Air Cleaner Cover
692298
970
Screw (Air Cleaner Primer Bracket)
691669
976
Carburetor Primer
694395
pos.
decription
spare part number
23
Flywheel
692315
37
Flywheel Guard
694086
78
Screw(Flywheel Guard)
691108
187
Fuel Line(Cut to Required Length)
691050
190
Screw (Dipstick Tube)
690940
265
*** keine Bezeichnung vorhanden
690798
267
*** keine Bezeichnung vorhanden
691044
304
Housing-Blower
493293
305
Screw(Flywheel Guard)
691108
332
Nut(Flywheel Fan)
690662
333
Armature-Magneto
802574
334
Screw (Magneto Armature)
691061
356
Stop Wire
692390
363
Flywheel Puller (Optional Accessory)
19069
455
Flywheel Cup
691219
601
Clamp-Hose
95162
621
Stop Switch
692310
670
Fuel Tank Spacer
692294
745
Screw (Brake)
691648
851
Terminal-Ignition Cable
493880
922
Brake Spring
691831
923
Brake
691994
957
Cap Assy-Fuel
397974
972
Tank Assembly-Fuel
495224
1059
Screw/Washer Kit
692311
pos.
decription
spare part number
55
Rewind Starter Housing
691421
58
280399
60
Starter Rope Grip
281434
65
Screw (RewindStarter)
690837
456
Pawl Friction Plate
692299
459
Pawl-Starter
281505
592
Nut (Rewind Starter)
690800
597
Screw (Pawl Friction Plate)
691696
608
Starter Assy.-Rewind
497680
689
Friction Spring
691855
1210
Pulley-Rewind Starter
498144
1211
Pulley-Rewind Starter
498144
pos.
decription
spare part number
94
Valve and Spring-Needle
493765
121
Carburetor Kit
498260
127A
Welch Plug
691739
358
Gasket Set
497316
633 A
Choke/Throttle Shaft Seal
693867
977
Gasket Set-Carburetor
498261
1095
Gasket Set-Valve Overhaul
498528
pos.
decription
spare part number
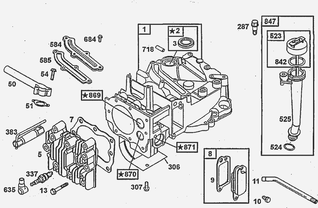
1
Cylinder Assembly
493260
2
Bushing
399269
3
Seal-Oil
299819
5
Cylinder Head
691160
7
Cylinder Head Gasket
692249
8
Breather-Valve Chamber
495786
9
Gasket-Breather
272481
10
Screw-Hex. Head
94650
11
Breather Tube
691781
13
Screw (Cylinder Head)
690912
50
Tube-Fuel Intake
497465
51
Gasket-Intake Elbow
272199
54
Screw (Intake Manifold)
691650
287
Screw (Dipstick Tube)
690940
306
Shield-Cylinder
690450
307
Cylinder Shield
690345
337
Plug-Spark (Resistor Type-1-7/8 high, 47 M.M.)(Model No. 38566 only)
802592
383
Wrench-Spark Plug
89838
523
Cap With Dipstick-Oil Filler
495264
524
Dipstick Tube Seal
692296
525
Tube-Oil Filler
495265
584
Breather Passage Cover
692342
585
Breather Passage Gasket
691879
635
Elbow-Spark Plug
66538
684
Cylinder Shield
690345
718
Locating Pin
690959
842
O Ring Seal (Dipstick Tube)
691031
847
Dipstick/Tube Assembly
692017
869
Seat-Valve (Intake)
691155
870
Seat-Valve (Exhaust)
690380
871
Guide-Exhaust Valve
63709
871
Guide-Exhaust Valve Note: 63709 Guide-Intake Valve See Repair Instruction Manual
262001
Lists
Toro
Roth / TORO
Ride-On Mowers
Hand operated
Sweeper
Snowthrower
Vac/Blower
Lawnmower
Grass Baggers
4-stroke SP
498/26638
498/26633
498/26633 B
498/26631 B
496/26639
496/26636
496/26636 B
496/26635 BC
496/26625 BG
495/26637
495/26632
495/26632 B
495/26630 BC
495/26630 BG
495/26620 BG
494/20784
494/20791
493/20783
493/20789
492/20787
492/20778
491/20786
491/20777
491/20328 B
490/20327 B
489/20927 B
489/20926 B
489/20925
488/20920
487/20914
487/20909 BC
487/20905
479
477
469
465/20781
465/20779
464
350000
340000
Engine B&S
Bag
Handle
Blade
Motor
Drive Assy.
Gearbox
Deck Assy.
459/20824
459/20821
459/20821 B
459/20820 BC
458/20823
458/20822
457
456/20808
456/20808 B
456/20807 BC
456/20806 B
455/20803
455/20803 B
455/20802 BC
455/20801 B
453
449
439
437/22173
437/22157
437/22154
437/22154 B
437/22153 BC
434
424
421/20652
417/20832
417/20829
417/20827
416/20831
416/20828
416/20826
415/20817
415/20811
4-stroke
2-stroke SP
2-stroke
Electric
Battery
Robin
Terms and Conditions
(C) by motoruf