back to
>
Roth / TORO
>
Hand operated
>
Lawnmower
>
4-stroke SP
>
477
>
250000
>
Mower (Assy.)
Spare Parts Lists for Toro Roth / TORO Mower (Assy.)
pos.
decription
spare part number
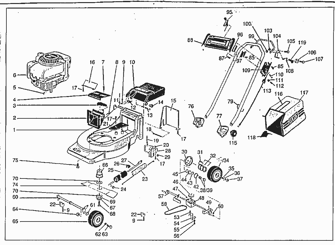
1
GEHAEUSE KPL.
18175
2
GRIFFSCHALE
18547
3
GRIFF
71-7930
4
GRIFFDECKEL
71-7860
5
KEIL
18427
6
*** keine Bezeichnung vorhanden
18374
7
SCHRAUBE
32144-97
8
SPANNSTIFT
3284-5
9
SCHRAUBE
18481
10
AUSWURFKLAPPE
18559
11
HALTELASCHE
18311
12
SCHENKELFEDER
18312
13
HOLMSCHRAUBE-RECHTS
18309
14
HOLMLAGERBUCHSE
18460
15
TRENNWAND
18302
16
LEITBLECH
18301
17
FORMSCHRAUBE
12393
18
HOLMSCHRAUBE-LINKS
18310
19
STELLSTREBE
18307
20
BLATTFEDER
18308
21
RIEMENABDECKUNG
18314
22
ACHSHALTER
18303
23
AUSGLEICHSFEDER
71-7740
24
SICHERUNGSKAPPE
32112-11
25
FEDERABDECKUNG
71-8450
26
ZEIGER
71-7980
27
VERBINDUNGSSTANGE
18305
28
RASTE
18306
29
SICHERUNGSKAPPE
32112-13
30
18377
31
SPEZIALSCHRAUBE
13072
32
ZAHNRAD
07729
34
RAD
17552
35
GLEITLAGER
07542
36
SCHEIBE
13853
37
STOPMUTTER
10988
38
* FREILAUF KOMPL. LINKS
12619
39
* FREILAUF KOMPL. RECHTS
12620
42
RITZEL
12558
43
TOPFSCHEIBE
13340
44
SICHERUNGSSCHEIBE
03899
45
STUETZSCHEIBE
17711
46
RIEMENSCHEIBE
18466
47
SPANNSTIFT
18209
48
GETRIEBE KOMPL. 43CM REC.
18592
49
HINTERACHSE-LINKS
18513
50
GLEITLAGER
07542
53
06691
54
18548
55
ZAHNSCHEIBE
10774
56
SCHRAUBE
06242
57
HINTERACHSE-RECHTS
18514
58
KEILRIEMEN
18375
60
VORDERACHSE
18284
61
401940
62
RADLAGER
18459
63
RADBOLZEN
27-6230
64
MUTTER
52-3620
65
VORDERRAD
18304
66
MESSERNABE KOMPLETT
18942
67
SPANNSCHEIBE
14558
68
SCHRAUBE
01429
69
DRUCKSCHEIBE
13001
70
REIBSCHEIBE
07189
74
MESSER
18317
75
FORMSCHRAUBE
12371
76
HOLMBEFESTIGUNG RECHTS
18319
77
HOLMBEFESTIGUNG LINKS
18318
79
KABELBAND
14757
85
SCHRAUBE
32144-97
87
SCHRAUBE
32144-98
88
PANEELE
14-0039
95
GASBOWDENZUG
49-8186
96
BEFESTIGUNGSBLECH
71-8040
97
HALTEPLATTE
71-8130
99
SCHALTBUEGEL (18515)
46-9900
100
3296729
102
SCHRAUBE
17-9426
103
MUTTER
3296-42
104
BLECHBUEGEL
46-8800
105
312-3
106
STUETZLAGER N. ZCHG.
66-0330
108
VERBINDUNGSHAKEN
18370
109
UNTERSCHALE LINKS
71-7680
110
SCHRAUBE
32104-121
111
DECKEL
71-7630
112
SCHRAUBE
32144-99
113
ANTRIEBSBOWDENZUG
18383
114
Handle
71-8030
115
DREHKNOPF
19-4050
116
RAHMEN
18321
117
GRASFANGSACK
18322
118
ENTNAHMELIPPE
18323
119
HEBEL
46-5520
Lists
Toro
Roth / TORO
Ride-On Mowers
Hand operated
Sweeper
Snowthrower
Vac/Blower
Lawnmower
Grass Baggers
4-stroke SP
498/26638
498/26633
498/26633 B
498/26631 B
496/26639
496/26636
496/26636 B
496/26635 BC
496/26625 BG
495/26637
495/26632
495/26632 B
495/26630 BC
495/26630 BG
495/26620 BG
494/20784
494/20791
493/20783
493/20789
492/20787
492/20778
491/20786
491/20777
491/20328 B
490/20327 B
489/20927 B
489/20926 B
489/20925
488/20920
487/20914
487/20909 BC
487/20905
479
477
350000
335000
330000
320000
310000
300000
290000
280000
270000
260000
250000
Gearbox
Engine B&S
Mower (Assy.)
469
465/20781
465/20779
464
459/20824
459/20821
459/20821 B
459/20820 BC
458/20823
458/20822
457
456/20808
456/20808 B
456/20807 BC
456/20806 B
455/20803
455/20803 B
455/20802 BC
455/20801 B
453
449
439
437/22173
437/22157
437/22154
437/22154 B
437/22153 BC
434
424
421/20652
417/20832
417/20829
417/20827
416/20831
416/20828
416/20826
415/20817
415/20811
4-stroke
2-stroke SP
2-stroke
Electric
Battery
Robin
Terms and Conditions
(C) by motoruf