back to
>
Roth / TORO
>
Ride-On Mowers
>
Rider
>
110-4E
>
300/R3-10B404
>
39000001
>
Mower Deck & Front Mount
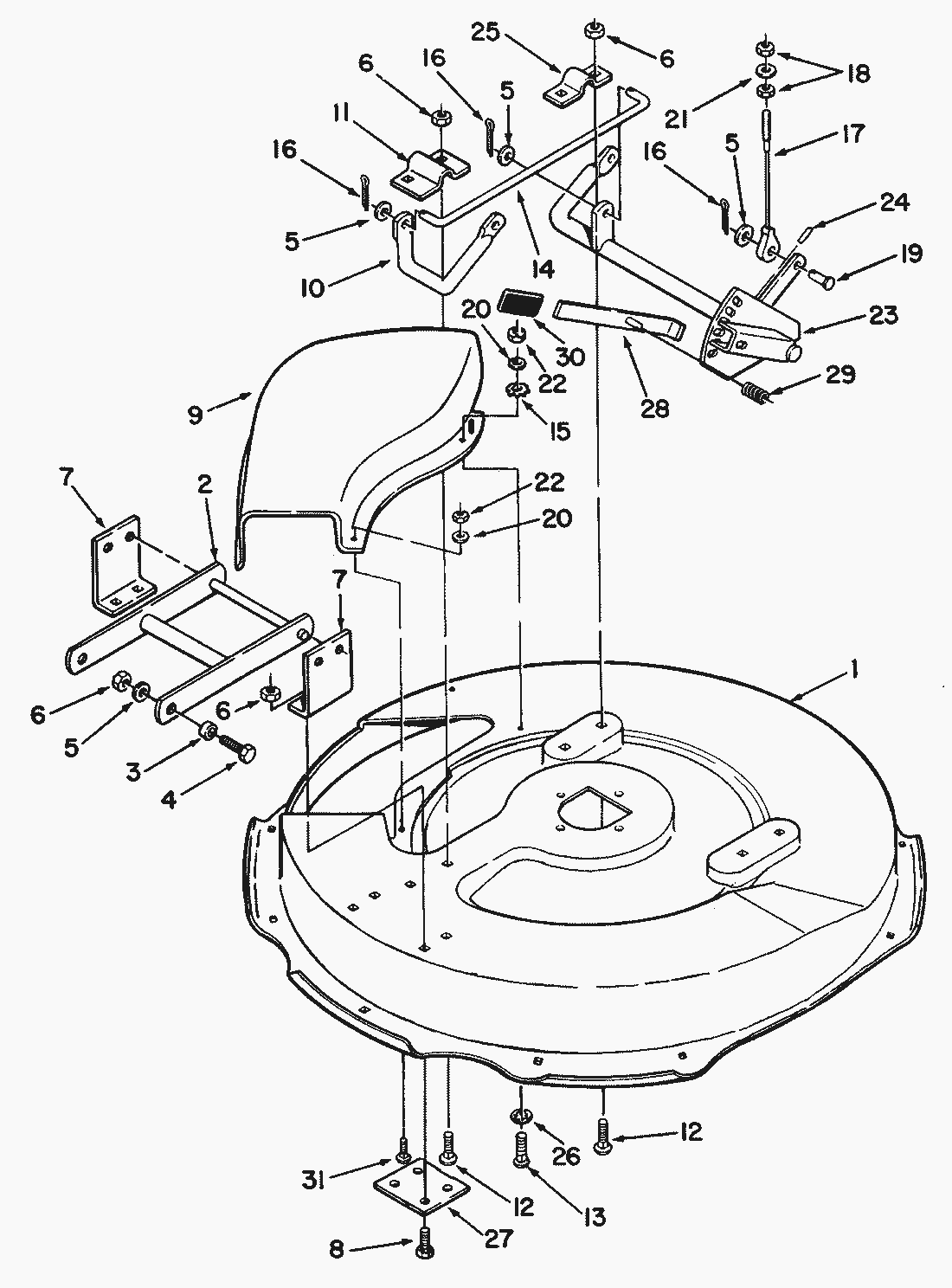
Spare Parts Lists for Toro Roth / TORO Mower Deck & Front Mount
pos.
decription
spare part number
1
Mower Deck
111143
2
Mower Mount W/A
110402
3
Spacer
102704
4
Capscrew
323-8
5
Flat Washer
3256-24
6
Locknut
3296-39
7
Bracket-Front Mower
110405
8
Capscrew
323-6
9
Deflector-Mower
115206
10
Rod-Height Adjustment
110409
11
Clamp
113422
12
Bolt-Carriage
3231-2
13
Bolt-Carriage
3229-25
14
Rod-Height Adjustment
110914
15
Lockwasher
3255-7
16
Cotter Pin
3272-6
17
Cable-Mower Support
110412
18
Hex Nut
3217-6
19
Pin-Clevis
932961
20
Washer
3256-22
21
Washer
3256-23
22
MUTTER
3296-42
23
Height Adjustment Assy.
110413
24
Pin-Spirol
933182
25
Clamp
110841
26
Int.Tooth Lockwasher
3254-2
27
Plate-Front Mounting
112736
28
Lever-Height Adjustment
110418
29
Spring
101853
30
Grip
102597
31
Carriage Bolt
3229-22
Lists
Toro
Roth / TORO
Ride-On Mowers
Traktor
Rider
HMR 1600
12-32 E
12-32
11-32
10-32 E
8-25
110-4E
300/R3-10B404
39000001
B&S Model 286707-0118-01
B&S Model 2867707-0118-01
Starter B&S 286707-0118-01
Starter B&S 257707-0127-01
B&S Model 257707-0127-01
Spindle, Pulleys & Drive Belt Assy.
Mower Deck & Front Mount
Seat & Suspension Assy.
Decals & Misc.
PTO Clutch, Pulleys & Control Assy.
Wheel & Tire Assy.
Drive Belt & Pulley Assy.
Electrical Assy.
Engine Assy.
Fuel Assy.
Sheet Metal Assy.
Clutch & Brake Linkage Assy.
Front Axle & Steering Assy.
Frame Assy.
Transmission Assy.
2000001
110-4
Mower decks
Attachements
Hand operated
Robin
Terms and Conditions
(C) by motoruf