back to
>
Roth / TORO
>
Hand operated
>
Lawnmower
>
Electric
>
105
>
290000
>
Mower
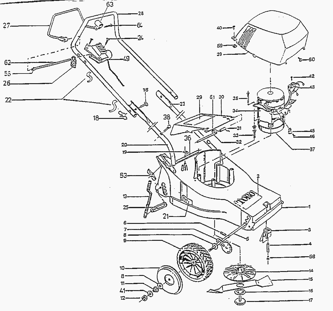
Spare Parts Lists for Toro Roth / TORO Mower
pos.
decription
spare part number
1
MAEHERGEHAEUSE
17360
2
KLEBESCHILD
19326
3
DRUCKTASTE
11476
4
DRUCKFEDER
11611
5
RADACHSE
19291
6
ZUGFEDER
11613
7
ZEIGER
17224
8
ANLAGESCHEIBE
11717
9
RAD
19251
10
SCHUTZSCHEIBE
19254
11
FEDER
11615
12
SICHERUNGSMUTTER
10365
13
ZEIGER
17225
14
MESSERAUFNAHME
11650
15
MESSER
11934
16
MITNEHMERBLECH
07468
17
MESSERSCHRAUBE
07463
18
* HOLMVERSCHRAUBUNG KPL.
13474
19
WELLENSICHERUNG
11830
20
SCHIEBESTANGE U.T. RE.
19564
21
TYPENSCHILD
19325
22
KLETTBAND
19533
23
SCHIEBESTANGE U.T. LI.
19563
24
13605
25
HEBEL
17300
26
ZUGENTLASTUNG
19286
27
SCHALTBUEGEL F.150+105
19298
28
SCHIEBESTANGE-OBERTEIL
19242
29
13457
30
AUSWURFKLAPPE
17601
31
SCHENKELFEDER
11619
32
ACHSE FUER AUSWURFKLAPPE
17239
33
DUEBEL
12436
34
ELEKTROMOTOR
19292
KONDENSATOR
10103
35
SCHRAUBE
11628
36
DICHTLIPPE
13726
37
LUEFTERKRAGEN
19281
38
KOPFSCHRAUBE
12836
39
MOTORHAUBE
17230
40
SCHRAUBE
12327
41
SCHEIBE
03660
42
SCHRAUBE
11838
43
STECKVERTEILER
11839
45
ZUGENTLASTUNG
10105
46
SCHRAUBE
11646
49
SCHALTER KOMPL.
19532
53
FLUEGELMUTTER
17365
58
KUNSTSTOFFNIETE
11880
59
FEDERMUTTER
11979
60
SCHRAUBE
11908
61
SICHERUNGSFEDER
17246
62
VERBINDUNGSROHR F. 150
18962
63
18883
64
18923
Lists
Toro
Roth / TORO
Ride-On Mowers
Hand operated
Sweeper
Snowthrower
Vac/Blower
Lawnmower
Grass Baggers
4-stroke SP
4-stroke
2-stroke SP
2-stroke
Electric
170
155
150
140
134
125
105
300000
290000
Bagger
Mower
280000
104
103
102
Battery
Robin
Terms and Conditions
(C) by motoruf