back to
>
Roth / TORO
>
Hand operated
>
Lawnmower
>
4-stroke
>
408
>
210000
>
Mower
Spare Parts Lists for Toro Roth / TORO Mower
spare parts list 1
spare parts list 2
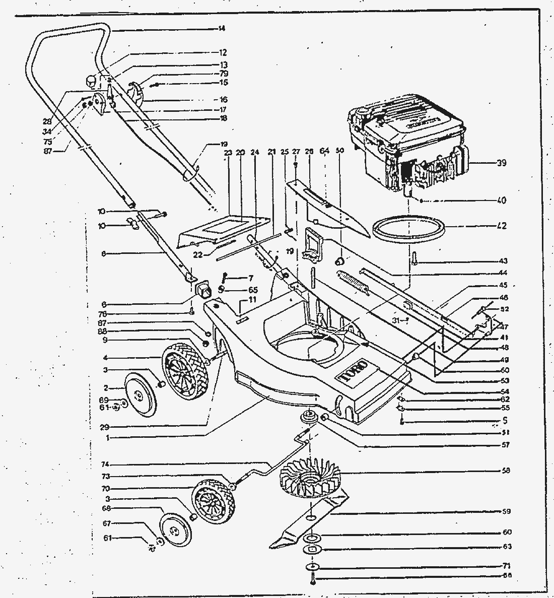
pos.
decription
spare part number
1
MAEHERGEHAEUSE
14350
2
SCHUTZSCHEIBE
13839
3
LAGER
12398
4
RAD
11960
5
FORMSCHRAUBE
12393
6
ISOLIERBUCHSE
13003
7
SCHRAUBE
13809
8
SCHIEBESTANGE U.T.RECHTS
13429
9
DISTANZSCHEIBE
05743
10
* HOLMVERSCHRAUBUNG KPL.
13474
11
*** keine Bezeichnung vorhanden
14395
12
KNOPF
12901
13
KLAMMER
13021
14
SCHIEBESTANGE-OBERTEIL
14746
15
SCHRAUBE
13377
16
GEHAEUSEHAELFTE
14527
17
GEHAEUSEHAELFTE INNEN
12828
18
SERVICE-BOWDENZUG
14540
19
KABELBAND
14757
20
PVC-KLEBESCHILD (GEFAHR)
01499
21
ACHSE
12419
23
AUSWURFKLAPPE
12426
24
SCHIEBESTANGE U.T.LINKS
13428
25
SCHENKELFEDER
11619
26
ABDECKUNG
12427
27
SCHRAUBE
12489
28
SERVICEBOWDENZUG
12831
29
RADACHSE HINTEN
13803
31
KLAMMER
14127
34
SCHRAUBE
13655
39
*** keine Bezeichnung vorhanden
14743
40
KEIL
01436
41
GLEITFUEHRUNG
14128
42
DISTANZRING
09441
43
FORMSCHRAUBE
13081
44
VERSTELLTASTE
12757
45
VERBINDUNGSSTANGE
12144
46
KLEBESCHILD
12381
47
ACHSLASCHE
12608
48
AUSGLEICHSFEDER
12379
49
DRUCKFEDER
12428
50
GLEITLAGER
12374
51
DISTANZROHR
12465
52
SCHRAUBE
13805
53
12380
54
KLEBESCHILD
13899
55
KLEMMBLECH
12375
57
MESSERNABE
13000
58
GEBLAESERAD
10703
59
MESSER
12320
60
REIBSCHEIBE
01551
61
STOPMUTTER
10988
62
GUMMIEINLAGE
13806
63
DRUCKSCHEIBE
13001
64
KLEBESCHILD
12425
65
HUELSE
13834
66
SCHRAUBE
13002
67
SCHEIBE
13896
68
SCHUTZSCHEIBE
13838
69
SCHEIBE
13853
70
RAD
12422
71
SPANNSCHEIBE
07593
73
BUCHSE
12376
74
RADACHSE VORN
14082
75
MUTTER
12837
79
KLEBESCHILD
14569
87
SCHEIBE
07674
88
SICHERUNGSMUTTER
10365
SERVICEBOWDENZUG
14550
pos.
decription
spare part number
90
TRAGEGRIFF
13880
91
ACHSSCHRAUBE
13873
92
DECKEL F. GRASFANGVORR.
13883
93
FLANSCHMUTTER
13882
96
GRASFANGSACK M.GESTAENGE
14176
97
RAHMENLAGER
13876
Lists
Toro
Roth / TORO
Ride-On Mowers
Hand operated
Sweeper
Snowthrower
Vac/Blower
Lawnmower
Grass Baggers
4-stroke SP
4-stroke
486/20904 BC
486/20903 B
486/20902 B
486/20901 B
486/20900
478
476
455/20803
455/20803 B
455/20802 BC
455/20801 B
452
438
433
423
414/20814
414/20805
412
411
408
260000
250000
240000
230000
220000
210000
B&S Engine
Mower
200000
190000
180000
400
2-stroke SP
2-stroke
Electric
Battery
Robin
Terms and Conditions
(C) by motoruf