back to
>
Roth / TORO
>
Hand operated
>
Lawnmower
>
4-stroke
>
433
>
290000
>
Mower
Spare Parts Lists for Toro Roth / TORO Mower
spare parts list 1
spare parts list 2
pos.
decription
spare part number
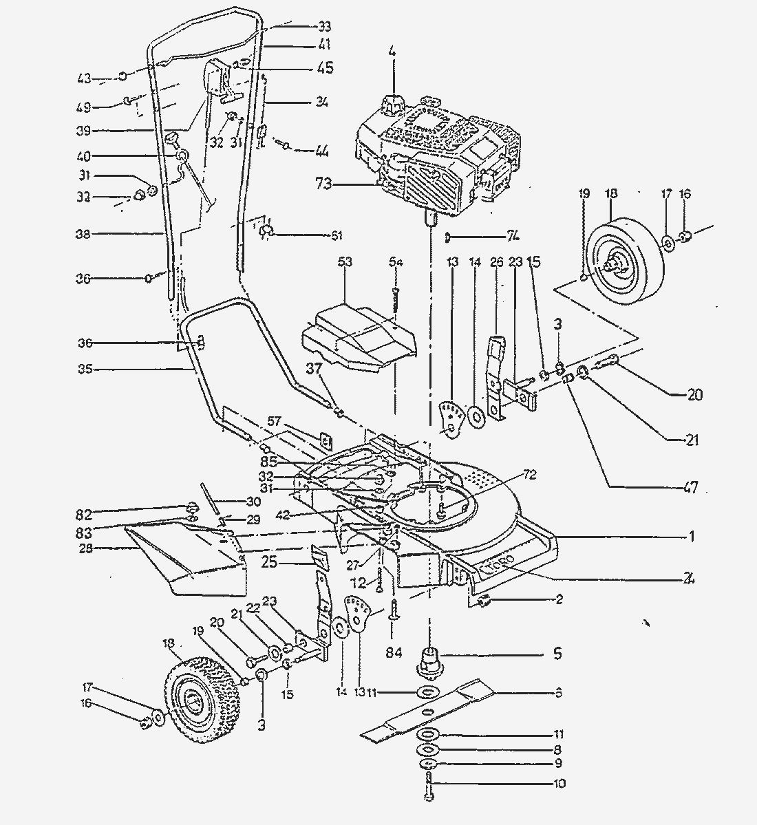
1
MAEHERGEHAEUSE
17663
2
STOPMUTTER
10988
3
WELLENSCHEIBE
18868
4
TANKDECKEL
18121
5
MESSERNABE
18420
6
MESSER
17647
8
DRUCKSCHEIBE
13001
9
SPANNSCHEIBE
14558
10
MESSERSCHRAUBE
17778
11
REIBSCHEIBE
07189
12
SCHRAUBE
17754
13
KULISSENBLECH
17661
14
TELLERFEDER
17708
15
ABDECKSCHEIBE
03951
16
STOPMUTTER
10988
17
SCHEIBE
13853
18
17732
19
GLEITLAGER
07542
20
SCHRAUBE
18506
21
SCHEIBE
13896
22
BUECHSE
17735
23
18786
24
KLEBESCHILD - MOTORSTOP
19181
25
GRIFFKNOPF
17646
26
18832
27
SCHRAUBE
18404
28
GRASLEITSTUECK SCHWARZ
19812
29
SCHENKELFEDER
17671
30
LAGERSTIFT
17672
31
SCHEIBE
07674
32
HUTMUTTER
13891
33
19124
34
BOWDENZUG-MOTORBREMSE
19136
35
SCHIEBESTANGE-UNTERTEIL
17921
36
* HOLMVERSCHRAUBUNG KPL.
13474
37
KUNSTSTOFF-STOPFEN
17900
38
19054
39
MOTORBEDIENUNGSHEBEL KPL.
19140
40
18960
41
HUTMUTTER
13891
42
09711
43
19235
44
17729
45
SCHEIBE
07674
47
DISTANZBUECHSE
17736
49
12912
51
KLETTBAND
19533
53
ABDECKUNG
17922
54
SCHRAUBE
17703
57
MUTTER
17726
72
FORMSCHRAUBE
12371
73
*** keine Bezeichnung vorhanden
19307
74
18964
82
MUTTER
18450
83
SCHEIBE
06179
84
SCHRAUBE
18589
85
SICHERUNGSMUTTER
01414
pos.
decription
spare part number
120
17610
121
17611
122
STUETZLAGER
18391
123
BLECHAUSKLEIDUNG
18390
124
FLACHRUNDSCHRAUBE
18591
125
KOPFSCHRAUBE
12836
126
SCHRAUBE
07193
127
07097
128
SCHEIBE
03660
129
05338
130
17730
131
07021
132
STUETZLAGERFLANSCH
18392
133
SICHERUNGSRING
17893
134
BLECHMUTTER
18393
135
SCHRAUBE
18389
136
ANLAGESCHEIBE
11717
137
SCHEIBE
09709
Lists
Toro
Roth / TORO
Ride-On Mowers
Hand operated
Sweeper
Snowthrower
Vac/Blower
Lawnmower
Grass Baggers
4-stroke SP
4-stroke
486/20904 BC
486/20903 B
486/20902 B
486/20901 B
486/20900
478
476
455/20803
455/20803 B
455/20802 BC
455/20801 B
452
438
433
350000
340000
330000
320000
310000
300000
290000
Engine Engine GTS 150
Mower
280000
270000
250000
240000
423
414/20814
414/20805
412
411
408
400
2-stroke SP
2-stroke
Electric
Battery
Robin
Terms and Conditions
(C) by motoruf