back to
>
Roth / TORO
>
Hand operated
>
Lawnmower
>
2-stroke SP
>
234
>
230000
>
Mower
Spare Parts Lists for Toro Roth / TORO Mower
spare parts list 1
spare parts list 2
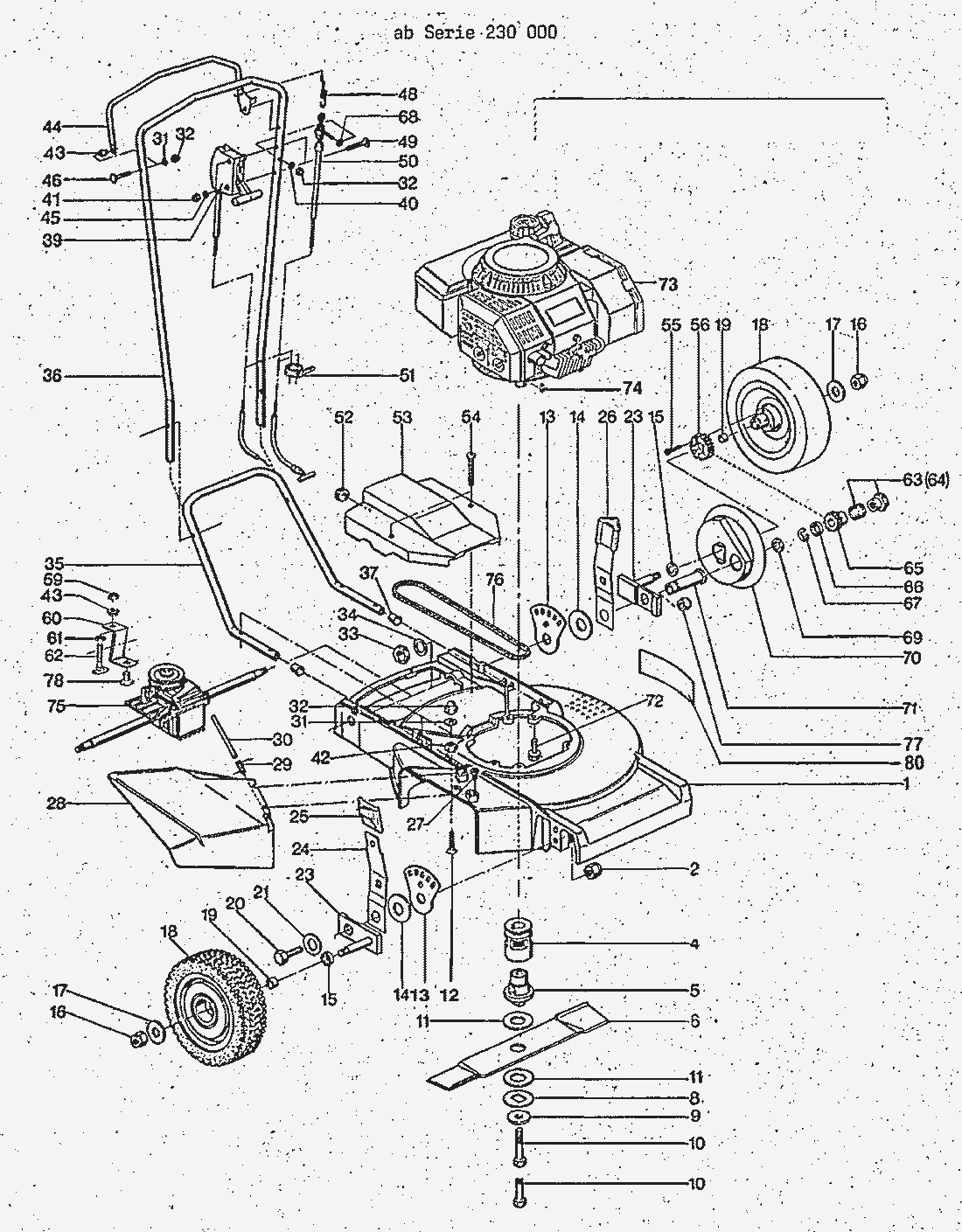
pos.
decription
spare part number
1
17945
2
STOPMUTTER
10988
4
17982
5
18042
6
MESSER
17647
8
DRUCKSCHEIBE
13001
9
SPANNSCHEIBE
14558
10
MESSERSCHRAUBE
17778
11
REIBSCHEIBE
07189
12
SCHRAUBE
17754
13
KULISSENBLECH
17661
14
TELLERFEDER
17708
15
ABDECKSCHEIBE
03951
16
STOPMUTTER
10988
17
SCHEIBE
13853
18
17732
19
GLEITLAGER
07542
20
SCHRAUBE
02160
21
SCHEIBE
13896
23
17659
24
RADLASCHE
17655
25
GRIFFKNOPF
17646
26
*RADAUFHAENGUNG KOMPLETT
17919
27
SCHRAUBE
09430
28
GRASLEITSTUECK
17591
29
SCHENKELFEDER
17671
30
LAGERSTIFT
17672
31
SCHEIBE
09709
32
HUTMUTTER
13891
33
FLACHMUTTER
17981
*RADAUFHAENGUNG KOMPLETT
17920
34
SCHEIBE
17707
35
17682
36
17714
37
KUNSTSTOFF-STOPFEN
17900
39
17704
40
SCHEIBE
07674
41
HUTMUTTER
17903
42
BLECHMUTTER
17752
43
BUNDLAGER
14081
44
SCHALTBUEGEL
17716
45
SCHEIBE
17902
46
KOPFSCHRAUBE
12836
48
ZUGFEDER
14061
49
SCHRAUBE
17901
50
BOWDENZUG
17717
51
KABELBAND
14757
52
TUELLE
10775
53
ABDECKUNG
17922
54
SCHRAUBE
17703
55
SPEZIALSCHRAUBE
13072
56
ZAHNRAD
07729
59
SICHERUNGSMUTTER
10365
60
HALTEWINKEL
17653
61
MUTTER
02427
62
SCHRAUBE
17746
63
* FREILAUF KOMPL. LINKS
12619
64
* FREILAUF KOMPL. RECHTS
12620
65
RITZEL
12558
66
TOPFSCHEIBE
13340
67
SICHERUNGSSCHEIBE
03899
68
DISTANZHUELSE
14055
69
STUETZSCHEIBE
17711
70
ABDECKUNG
12808
71
TRAGROHR
17660
72
17737
73
*** keine Bezeichnung vorhanden
17002
74
KEIL
14523
75
GETRIEBE KOMPL. F. PROFI
17776
76
KEILRIEMEN
17713
77
LAGERBUECHSE
17710
78
SCHRAUBE
02428
80
17721
pos.
decription
spare part number
120
17610
121
17611
122
17724
123
17723
124
17729
125
KOPFSCHRAUBE
12836
126
SCHRAUBE
07193
127
07097
128
01006
129
05338
130
17730
131
07021
Lists
Toro
Roth / TORO
Ride-On Mowers
Hand operated
Sweeper
Snowthrower
Vac/Blower
Lawnmower
Grass Baggers
4-stroke SP
4-stroke
2-stroke SP
295/26643
295/26643 B
295/26640 BC
295/26640 B
287/20916B
277
255/22700 BC
255/22700
239
237/22045
237/22045 B
237/22044 BC
237/22036
237/22035
234
350000
340000
330000
320000
310000
300000
290000
280000
270000
260000
250000
240000
230000
Carburetor
Flywheel and Ignition
Recoil Starter
Motor-Stop
Engine Governor
ShortBlock
Muffler
Motor
Gearbox
Mower
224
222/16212 WG
2-stroke
Electric
Battery
Robin
Terms and Conditions
(C) by motoruf