back to
>
Roth / TORO
>
Hand operated
>
Lawnmower
>
2-stroke
>
233
>
320000
>
Partslist
Spare Parts Lists for Toro Roth / TORO Partslist
spare parts list 1
spare parts list 2
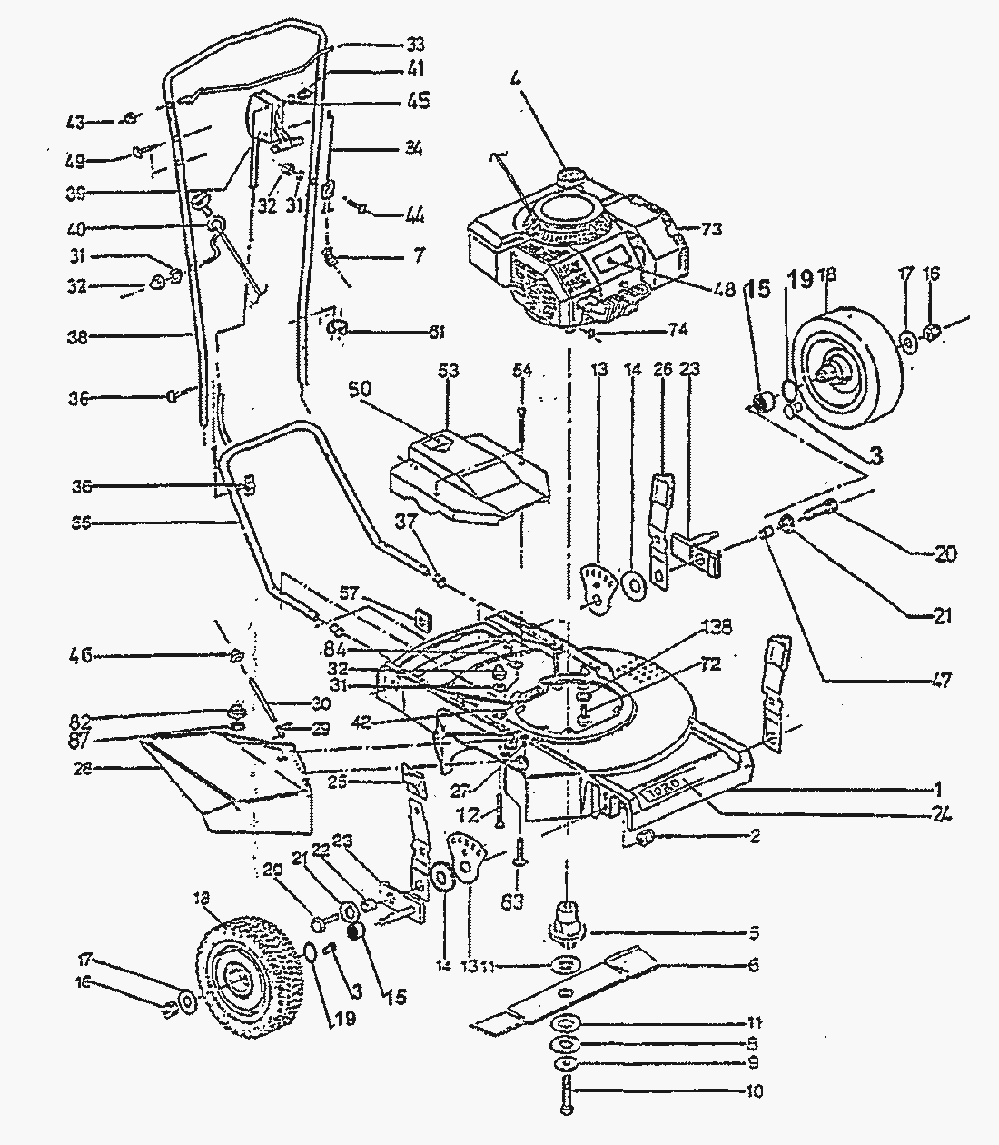
pos.
decription
spare part number
1
MAEHERGEHAEUSE
17663
2
STOPMUTTER
10988
3
SCHRAUBE
07193
4
TANKDECKEL
55-3575
5
MESSERNABE
18420
6
MESSER
17647
7
19249
8
DRUCKSCHEIBE
13001
9
SPANNSCHEIBE
14558
10
MESSERSCHRAUBE
17778
11
REIBSCHEIBE
07189
12
SCHRAUBE
17754
13
KULISSENBLECH
17661
14
TELLERFEDER
17708
15
20166
16
STOPMUTTER
10988
17
DISTANZSCHEIBE
05743
18
19975
19
20167
20
SCHRAUBE
18506
21
SCHEIBE
13896
22
BUECHSE
17735
23
18786
24
*** keine Bezeichnung vorhanden
17597
25
GRIFFKNOPF
17646
26
18832
27
SCHRAUBE
18404
28
GRASLEITSTUECK SCHWARZ
19812
29
SCHENKELFEDER
17671
30
LAGERBOLZEN
19953
31
SCHEIBE
07674
32
HUTMUTTER
13891
19000
33
19124
34
19302
35
17682
36
13746
37
KUNSTSTOFF-STOPFEN
17900
38
SCHIEBESTANGE
19060
39
19139
40
18960
41
HUTMUTTER
13891
42
09711
43
19235
44
17729
45
SCHEIBE
07674
46
ABDECKKAPPE
20148
47
DISTANZBUECHSE
17736
48
KLEBESCHILD - TORO -
14532
49
12912
50
HINWEISSCHILD
19884
51
KLETTBAND
19533
53
ABDECKUNG
17922
54
SCHRAUBE
17703
57
MUTTER
17726
72
17737
73
19304
74
18964
82
MUTTER
18450
83
SCHRAUBE
18589
84
SICHERUNGSMUTTER
01414
87
SCHEIBE
06179
88
SEILANSCHLAG
2210-316
pos.
decription
spare part number
120
17610
121
17611
122
STUETZLAGER
18391
123
BLECHAUSKLEIDUNG
18390
124
FLACHRUNDSCHRAUBE
18591
125
KOPFSCHRAUBE
12836
126
SCHRAUBE
07193
127
07097
128
SCHEIBE
03660
129
05338
130
17730
131
07021
132
STUETZLAGERFLANSCH
18392
133
SICHERUNGSRING
17893
134
BLECHMUTTER
18393
135
SCHRAUBE
18389
136
ANLAGESCHEIBE
11717
137
SCHEIBE
09709
138
17751
TYPENSCHILD TORO 233
19948
HITZESCHUTZSCHILD
19122
11715
KLEBESCHILD - MOTORSTOP
19181
Lists
Toro
Roth / TORO
Ride-On Mowers
Hand operated
Sweeper
Snowthrower
Vac/Blower
Lawnmower
Grass Baggers
4-stroke SP
4-stroke
2-stroke SP
2-stroke
286/20911 B
286/20910
276
233
350000
340000
330000
320000
Carburetor
Flywheel
Recoil Starter
Governor Assy.
ShortBlock Assy.
Muffler
Engine Assy.
Engine Stop Assy.
Engine
Partslist
310000
300000
290000
280000
270000
260000
250000
240000
230000
223
Electric
Battery
Robin
Terms and Conditions
(C) by motoruf