back to
>
Roth / TORO
>
Hand operated
>
Lawnmower
>
4-stroke SP
>
424
>
340000
>
Partslist
Spare Parts Lists for Toro Roth / TORO Partslist
pos.
decription
spare part number
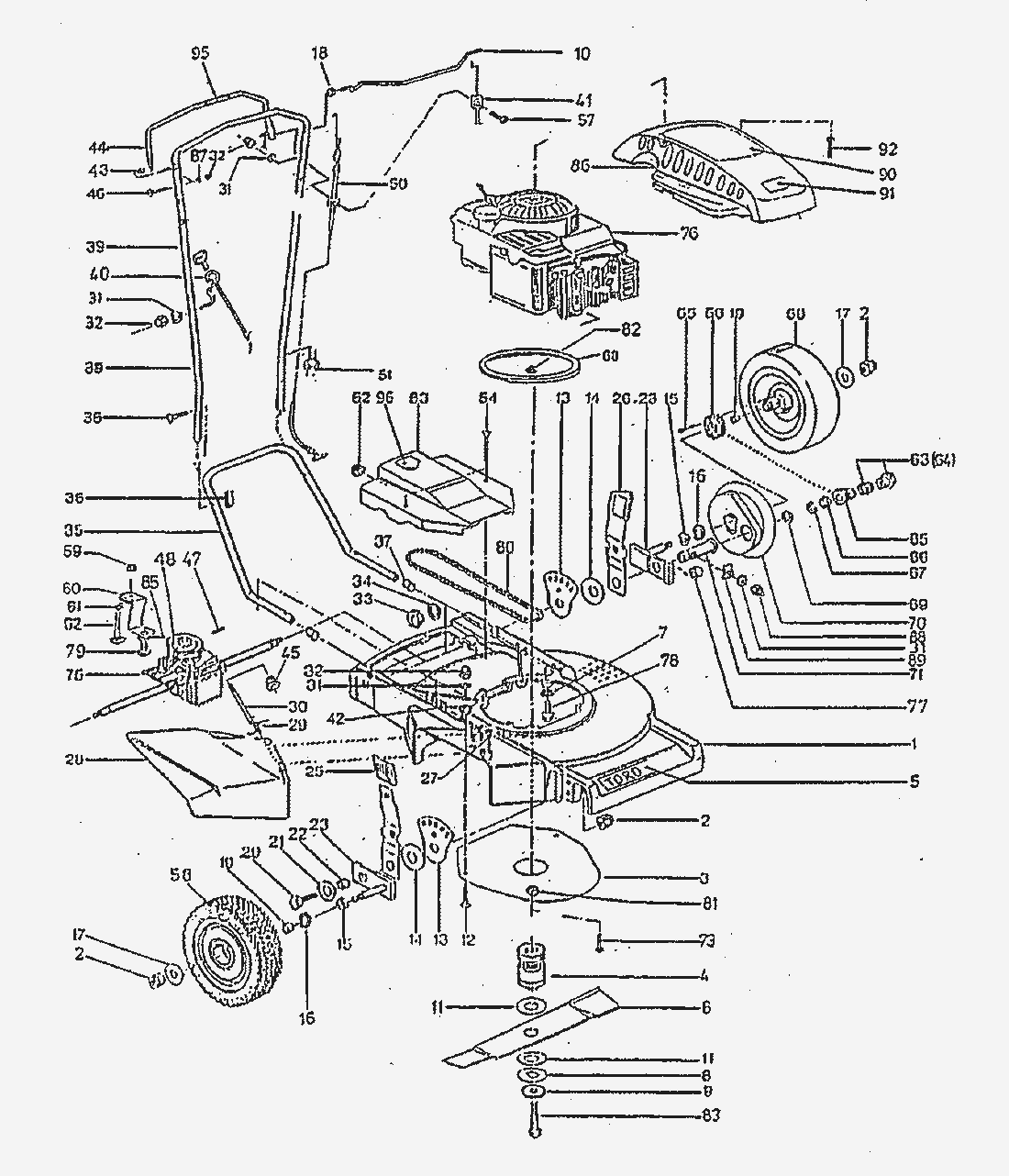
1
MAEHERGEHAEUSE
17663
2
STOPMUTTER
10988
3
ABDECKBLECH
17636
4
MESSERNABE
18477
5
KLEBESCHILD
17600
6
MESSER
17647
7
SCHEIBE
03660
8
DRUCKSCHEIBE
13001
9
SPANNSCHEIBE
14558
10
19124
11
REIBSCHEIBE
07189
12
SCHRAUBE
17754
13
KULISSENBLECH
17661
14
TELLERFEDER
17708
15
ABDECKSCHEIBE
03951
16
WELLENSCHEIBE
18868
17
SCHEIBE
13853
18
19235
19
GLEITLAGER
07542
20
SCHRAUBE
18506
21
SCHEIBE
13896
22
BUECHSE
17735
23
18786
25
GRIFFKNOPF
17646
26
18832
27
SCHRAUBE
18404
28
*** keine Bezeichnung vorhanden
17591.
29
SCHENKELFEDER
17671
30
LAGERBOLZEN
19953
31
SCHEIBE
07674
32
HUTMUTTER
13891
33
FLACHMUTTER
17981
34
SCHEIBE
13568
35
SCHIEBESTANGE-UNTERTEIL
17921
36
* HOLMVERSCHRAUBUNG KPL.
13474
37
KUNSTSTOFF-STOPFEN
17900
38
SCHIEBESTANGE
19060
40
18960
41
BOWDENZUG-MOTORBREMSE
19136
42
09711
43
BUNDLAGER
18127
44
SCHALTBUEGEL
19061
45
ABDECKKAPPE
20148
47
KERBSTIFT
18109
48
RIEMENSCHEIBE
18843
49
12912
50
ANTIEBSBOWDENZUG
19137
51
KLETTBAND
19533
52
TUELLE
10775
53
ABDECKUNG
17922
54
SCHRAUBE
17703
55
SPEZIALSCHRAUBE
20756
56
ZAHNRAD
18105
57
SCHRAUBE
19147
58
RAD
17552
59
SICHERUNGSMUTTER
10365
60
HALTEWINKEL
17653
61
MUTTER
02427
62
SCHRAUBE
17746
63
* FREILAUF KOMPL. LINKS
12619
64
* FREILAUF KOMPL. RECHTS
12620
65
RITZEL
12558
66
TOPFSCHEIBE
13340
67
SICHERUNGSSCHEIBE
03899
68
DISTANZRING
09441
69
STUETZSCHEIBE
17711
70
ABDECKUNG
12808
71
TRAGROHR
19620
73
6-KT.SCHRAUBE
14773
75
GETRIEBE KOMPL. F. 46 CM
18467
76
*** keine Bezeichnung vorhanden
20728
78
FORMSCHRAUBE
13081
79
SCHRAUBE
06242
80
KEILRIEMEN
18469
81
BUECHSE
17735
82
FLANSCHMUTTER
19469
83
MESSERSCHRAUBE
18507
85
ZAHNSCHEIBE
10774
86
MOTORHAUBE
19354
87
SCHEIBE
09709
88
SCHMIERNIPPEL
19619
89
ABSICHERUNG
19622
90
KLEBESCHILD
19502
91
18989
92
BEFESTIGUNGSSCHRAUBE
19503
95
*** keine Bezeichnung vorhanden
17745
96
Decal-Safety (Model No. 26630BG Only)
17738
Lists
Toro
Roth / TORO
Ride-On Mowers
Hand operated
Sweeper
Snowthrower
Vac/Blower
Lawnmower
Grass Baggers
4-stroke SP
498/26638
498/26633
498/26633 B
498/26631 B
496/26639
496/26636
496/26636 B
496/26635 BC
496/26625 BG
495/26637
495/26632
495/26632 B
495/26630 BC
495/26630 BG
495/26620 BG
494/20784
494/20791
493/20783
493/20789
492/20787
492/20778
491/20786
491/20777
491/20328 B
490/20327 B
489/20927 B
489/20926 B
489/20925
488/20920
487/20914
487/20909 BC
487/20905
479
477
469
465/20781
465/20779
464
459/20824
459/20821
459/20821 B
459/20820 BC
458/20823
458/20822
457
456/20808
456/20808 B
456/20807 BC
456/20806 B
455/20803
455/20803 B
455/20802 BC
455/20801 B
453
449
439
437/22173
437/22157
437/22154
437/22154 B
437/22153 BC
434
424
350000
340000
Gearbox
Engine B&S
Partslist
330000
320000
310000
300000
290000
280000
270000
260000
250000
240000
230000
421/20652
417/20832
417/20829
417/20827
416/20831
416/20828
416/20826
415/20817
415/20811
4-stroke
2-stroke SP
2-stroke
Electric
Battery
Robin
Terms and Conditions
(C) by motoruf