back to
>
Roth / TORO
>
Hand operated
>
Lawnmower
>
4-stroke
>
400
>
150000
>
Partslist
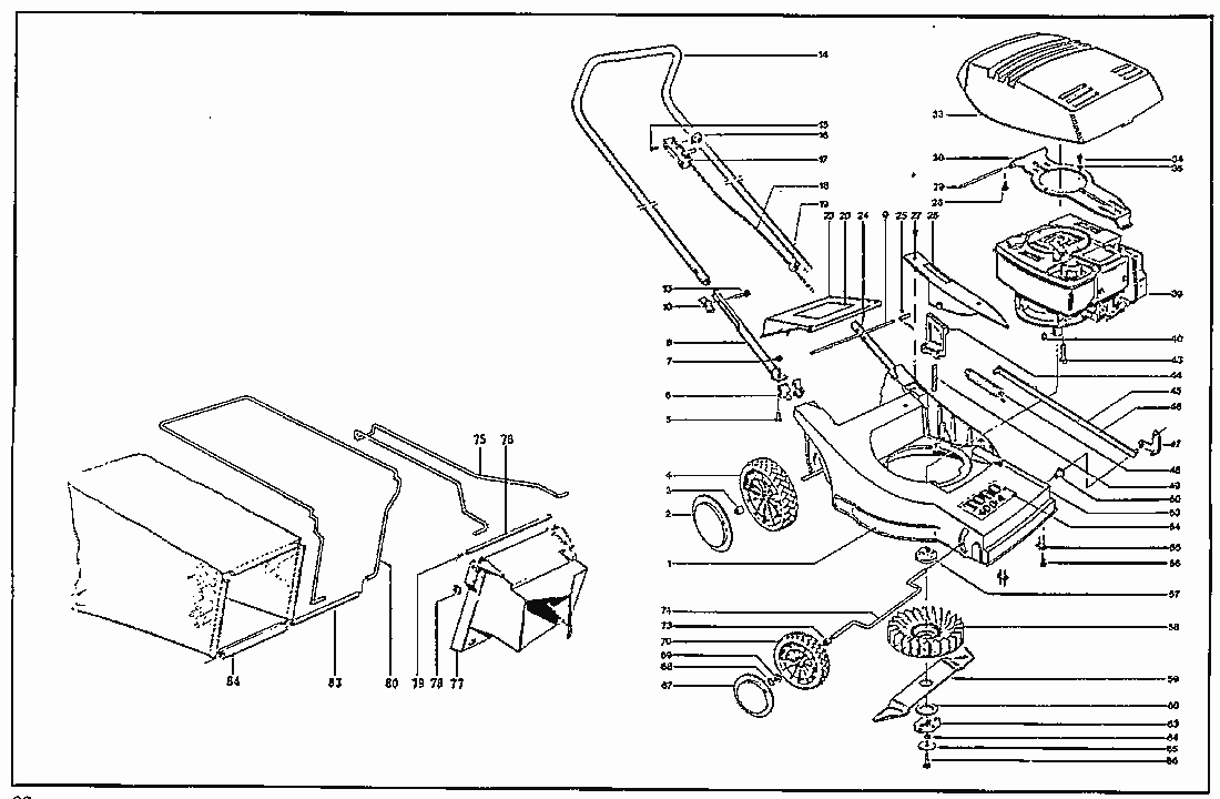
Spare Parts Lists for Toro Roth / TORO Partslist
pos.
decription
spare part number
1
MAEHERGEHAEUSE
12373
2
SCHUTZSCHEIBE
11959
3
LAGER
12398
4
RAD
12298
5
FORMSCHRAUBE
12393
6
*** keine Bezeichnung vorhanden
12407
7
DISTANZSCHEIBE
12405
8
SCHIEBESTANGE U.T.RECHTS
12387
9
ACHSE
12419
10
FLUEGELMUTTER
05472
13
*** keine Bezeichnung vorhanden
11720
14
SCHIEBESTANGE O.T.
12388
15
SCHRAUBE
05314
16
ROHRSCHELLE
12435
17
MOTORBED.HEBEL VOLLST.
04968
18
SERVICE-BOWDENZUG
12390
19
KLEMME
01553
20
PVC-KLEBESCHILD (GEFAHR)
01499
23
AUSWURFKLAPPE
12426
24
SCHIEBESTANGE U.T.LINKS
12386
25
SCHENKELFEDER
11619
26
ABDECKUNG
12427
27
SCHRAUBE
12383
28
SCHRAUBE
12154
29
ACHSE
12155
30
HALTEBLECH
12185
33
HAUBE
12116
34
SCHRAUBE
05314
35
FAECHERSCHEIBE
07614
39
*** keine Bezeichnung vorhanden
12183
40
KEIL
01436
43
FORMSCHRAUBE
12371
44
VERSTELLTASTE
12348
45
VERBINDUNGSSTANGE
12144
46
KLEBESCHILD
12381
47
ACHSLASCHE
12020
48
AUSGLEICHSFEDER
12379
49
DRUCKFEDER
12428
50
GLEITLAGER
12374
53
12380
54
KLEBESCHILD
12179
55
KLEMMBLECH
12375
56
SCHRAUBE
07193
57
MESSERNABE
05281
58
GEBLAESERAD
10703
59
MESSER
12320
60
REIBSCHEIBE
01551
63
MITNEHMERSCHEIBE
07592
64
BUCHSE
07594
65
SPANNSCHEIBE
07593
66
SCHRAUBE
01429
67
SCHUTZSCHEIBE
11683
68
WELLENSICHERUNG
12370
69
DISTANZSCHEIBE
05743
70
RAD
11685
73
BUCHSE
12376
74
RADACHSE VORN
12016
75
TRAGEGRIFF
11952
76
ACHSROHR
11953
77
GRASFANGVORRICHTUNG
11954
78
FEDERMUTTER
11355
79
BLECHSCHRAUBE
11695
80
RAHMEN
11950
83
VERBINDUNGSROHR
11951
84
GRASFANGSACK M.GESTAENGE
11949
GLEITLAGER
12462
DISTANZROHR
12465
SCHEIBE
12466
*** keine Bezeichnung vorhanden
12467
Lists
Toro
Roth / TORO
Ride-On Mowers
Hand operated
Sweeper
Snowthrower
Vac/Blower
Lawnmower
Grass Baggers
4-stroke SP
4-stroke
486/20904 BC
486/20903 B
486/20902 B
486/20901 B
486/20900
478
476
455/20803
455/20803 B
455/20802 BC
455/20801 B
452
438
433
423
414/20814
414/20805
412
411
408
400
170000
150000
Carburetor
Ignition
Recoil Starter
Motor
Partslist
2-stroke SP
2-stroke
Electric
Battery
Robin
Terms and Conditions
(C) by motoruf