back to
>
Roth / TORO
>
Hand operated
>
Lawnmower
>
4-stroke SP
>
434
>
320000
>
Partslist
Spare Parts Lists for Toro Roth / TORO Partslist
pos.
decription
spare part number
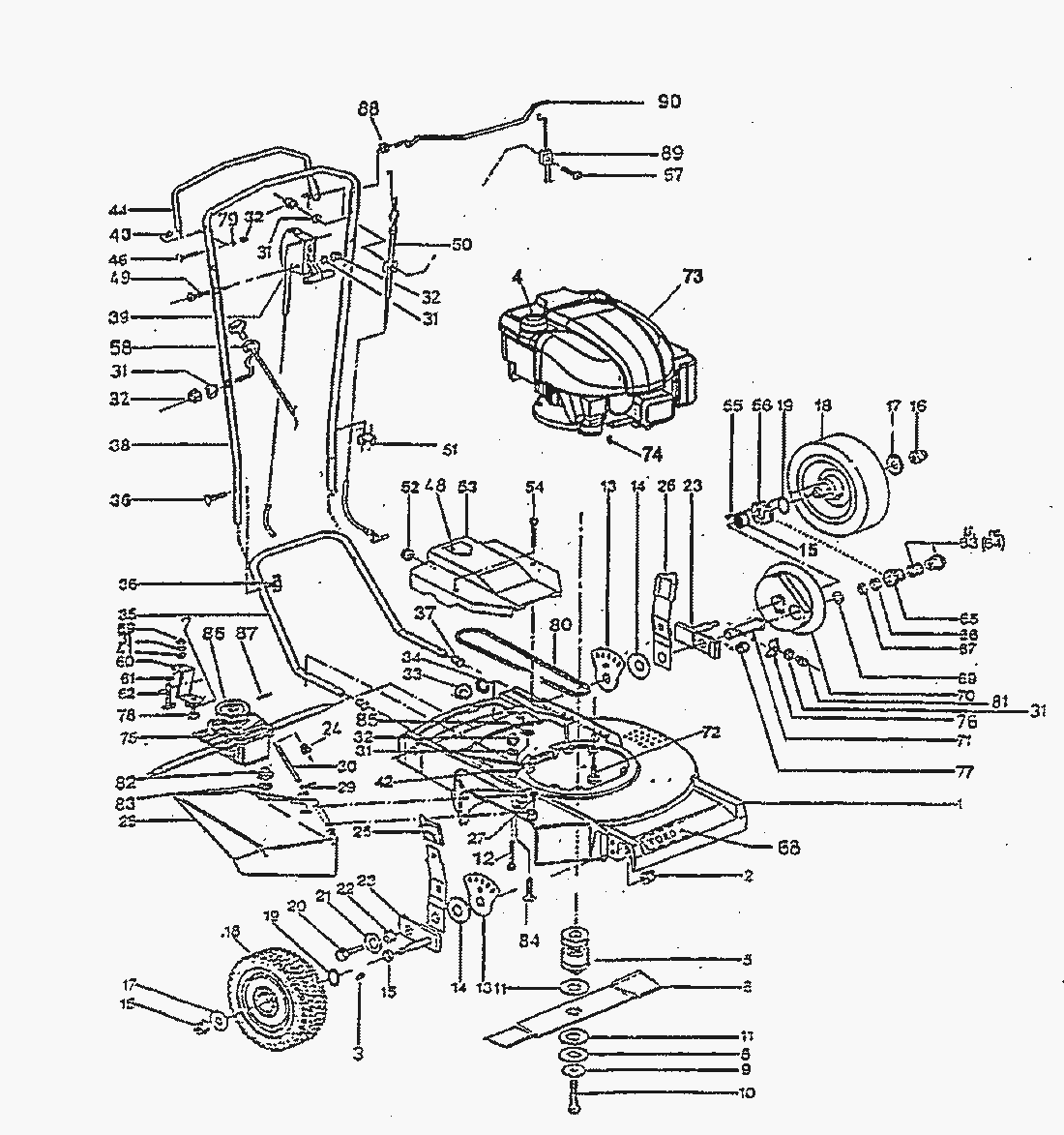
1
MAEHERGEHAEUSE
17663
2
STOPMUTTER
10988
3
SCHRAUBE
07193
4
*** keine Bezeichnung vorhanden
498697
5
MESSERNABE M. RIEMENSCH.
18936
6
MESSER
17647
7
ZAHNSCHEIBE
10774
8
DRUCKSCHEIBE
13001
9
SPANNSCHEIBE
14558
10
MESSERSCHRAUBE
17778
11
REIBSCHEIBE
07189
12
SCHRAUBE
17754
13
KULISSENBLECH
17661
14
TELLERFEDER
17708
15
20166
16
STOPMUTTER
10988
17
DISTANZSCHEIBE
05743
18
PROFIRAD, UMBAUKIT
19986
19
20167
20
SCHRAUBE
18506
21
SCHEIBE
13896
22
BUECHSE
17735
23
18786
24
ABDECKKAPPE
20148
25
GRIFFKNOPF
17646
26
18832
27
SCHRAUBE
18404
28
GRASLEITSTUECK SCHWARZ
19812
29
SCHENKELFEDER
17671
30
LAGERBOLZEN
19953
31
SCHEIBE
07674
32
HUTMUTTER
13891
33
FLACHMUTTER
17981
34
SCHEIBE
13568
35
SCHIEBESTANGE-UNTERTEIL
17921
36
* HOLMVERSCHRAUBUNG KPL.
13474
37
KUNSTSTOFF-STOPFEN
17900
38
SCHIEBESTANGE
19060
39
MOTORBEDIENUNGSHEBEL KPL.
20514
40
18989
41
BUNDLAGER
14081
42
09711
43
BUNDLAGER
18127
44
SCHALTBUEGEL
19061
45
Clamp-Cable
2210-249
46
KOPFSCHRAUBE
12836
47
SCHRAUBE
17005
48
HINWEISSCHILD
19884
49
12912
50
ANTIEBSBOWDENZUG
19137
51
KLETTBAND
19533
52
TUELLE
10775
53
ABDECKUNG
17922
54
SCHRAUBE
17703
55
SPEZIALSCHRAUBE
13072
56
ZAHNRAD
18105
57
SCHRAUBE
19147
58
18960
59
SICHERUNGSMUTTER
10365
60
HALTEWINKEL
17653
61
MUTTER
02427
62
SCHRAUBE
17746
63
* FREILAUF KOMPL. LINKS
12619
64
* FREILAUF KOMPL. RECHTS
12620
65
RITZEL
12558
66
TOPFSCHEIBE
13340
67
SICHERUNGSSCHEIBE
03899
68
KLEBESCHILD TORO 434
18182
69
STUETZSCHEIBE
17711
70
ABDECKUNG
12808
71
TRAGROHR
19620
72
FORMSCHRAUBE
12371
73
*** keine Bezeichnung vorhanden
20515
74
18964
75
GETRIEBE KOMPL. F. PROFI
19936
76
ABSICHERUNG
19622
77
LAGERBUECHSE
17710
78
SCHRAUBE
06242
79
SCHEIBE
09709
80
KEILRIEMEN
18469
81
SCHMIERNIPPEL
19619
82
MUTTER
18450
83
SCHEIBE
06179
84
SCHRAUBE
18589
85
SICHERUNGSMUTTER
01414
86
RIEMENSCHEIBE
19351
87
20546
88
19235
89
BOWDENZUG-MOTORBREMSE
19136
90
19124
120
17610
121
17611
122
STUETZLAGER
18391
123
BLECHAUSKLEIDUNG
18390
124
FLACHRUNDSCHRAUBE
18591
125
KURVENSCHRAUBE
18590
126
SCHRAUBE
07193
127
07097
128
SCHEIBE
03660
129
05338
130
17730
132
STUETZLAGERFLANSCH
18392
133
SICHERUNGSRING
17893
134
BLECHMUTTER
18393
135
SCHRAUBE
18389
136
ANLAGESCHEIBE
11717
137
SCHEIBE
09709
138
SEILANSCHLAG
2210-316
Lists
Toro
Roth / TORO
Ride-On Mowers
Hand operated
Sweeper
Snowthrower
Vac/Blower
Lawnmower
Grass Baggers
4-stroke SP
498/26638
498/26633
498/26633 B
498/26631 B
496/26639
496/26636
496/26636 B
496/26635 BC
496/26625 BG
495/26637
495/26632
495/26632 B
495/26630 BC
495/26630 BG
495/26620 BG
494/20784
494/20791
493/20783
493/20789
492/20787
492/20778
491/20786
491/20777
491/20328 B
490/20327 B
489/20927 B
489/20926 B
489/20925
488/20920
487/20914
487/20909 BC
487/20905
479
477
469
465/20781
465/20779
464
459/20824
459/20821
459/20821 B
459/20820 BC
458/20823
458/20822
457
456/20808
456/20808 B
456/20807 BC
456/20806 B
455/20803
455/20803 B
455/20802 BC
455/20801 B
453
449
439
437/22173
437/22157
437/22154
437/22154 B
437/22153 BC
434
350000
340000
330000
320000
Engine B&S
Gearbox
Desking Kit
Partslist
310000
300000
290000
280000
270000
260000
250000
240000
424
421/20652
417/20832
417/20829
417/20827
416/20831
416/20828
416/20826
415/20817
415/20811
4-stroke
2-stroke SP
2-stroke
Electric
Battery
Robin
Terms and Conditions
(C) by motoruf