back to
>
Roth / TORO
>
Hand operated
>
Lawnmower
>
Electric
>
150
>
350000
>
Rear Axle
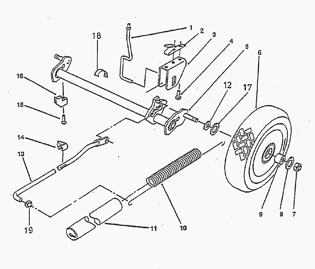
Spare Parts Lists for Toro Roth / TORO Rear Axle
pos.
decription
spare part number
1
STELLSTREBE
20009
2
BLATTFEDER
18308
3
RASTE
18306
4
FORMSCHRAUBE
12393
5
HINTERACHSE
19294
6
RAD
18577
7
STOPMUTTER
10988
8
SCHEIBE
13853
9
GLEITLAGER
07542
10
AUSGLEICHSFEDER
18338
11
FEDERABDECKUNG
18339
12
ABDECKSCHEIBE
03951
13
VERBINDUNGSSTANGE
18305
14
ZEIGER
18355
15
SCHRAUBE
18587
16
ACHSHALTER
19584
17
WELLENSCHEIBE
18868
18
LAGERSCHALE HINTEN
19586
19
SICHERUNGSKAPPE
18867
Lists
Toro
Roth / TORO
Ride-On Mowers
Hand operated
Sweeper
Snowthrower
Vac/Blower
Lawnmower
Grass Baggers
4-stroke SP
4-stroke
2-stroke SP
2-stroke
Electric
170
155
150
350000
Bag
Handle
Blade
Motor
Rear Axle
Housing
340000
320000
310000
300000
290000
280000
270000
140
134
125
105
104
103
102
Battery
Robin
Terms and Conditions
(C) by motoruf