back to
>
Roth / TORO
>
Ride-On Mowers
>
Rider
>
8-25
>
372/70122
>
9900001
>
Rear Body Assy.
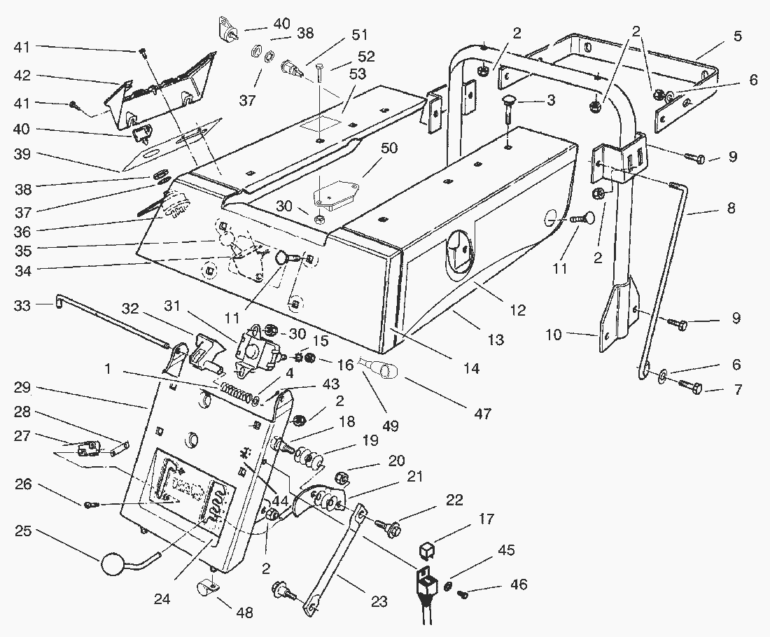
Spare Parts Lists for Toro Roth / TORO Rear Body Assy.
pos.
decription
spare part number
Switch-Ignition
88-9830
pos.
decription
spare part number
1
Spring-Gearbox Return
71-8310
2
MUTTER
3296-29
3
Carriage Bolt
3230-3
4
Washer
3256-22
5
Bar-Stand
67-1500-03
6
Washer
3256-23
7
Hex Hd. Capscrew
322-5
8
Brace-Support, Seat
67-1480
9
Capscrew
322-3
10
Support W.A.-Seat
67-0790-03
11
Carriage Bolt
3230-1
12
Decal-Toro L.H.
98-1456
Decal-Toro R.H.
99-2984
13
Body W.A.-Rear
99-2964-01
14
Decal-Insignia
92-7978
15
Lockwasher
3253-3
16
Jam Nut
3218-1
17
Relay (Only On: 73470)
98-7249
18
Bolt-Shoulder
28-0540
19
Washer-Belleville
3290-413
20
Locknut
3296-39
21
Handle W.A.-H.O.C.
67-0270
22
Bolt-Shoulder
67-0870
23
Link-H.O.C.
67-0080
24
Decal-H.O.C. Deck Engage.
92-7977
25
Knob
233-22
26
Machine Screw
3290-313
27
Switch-Micro
88-9932
28
Speed Nut
3290-354
29
Support W.A.-Seat
67-1090-03
30
MUTTER
3296-42
31
Solenoid-Starter
47-1910
32
Prop-Seat
80-4330
33
Rod-Base, Seat
80-4550
34
Control-Throttle
66-6640
35
Knob
233-25
37
Lockwasher
3254-5
38
Hex Nut
218-461
39
Decal-Panel, Control
92-7976
40
Key-Ignition
63-8360
41
Screw-Hex. Hd. Tapping
32144-42
42
Cover-Panel, Control
67-1030
43
Pin-Cotter
3272-4
44
Nut
3296-2
45
Washer
3256-14
46
Screw-Cap Mach. Hd.
3290-134
47
Boot-Terminal Insulator (Only On: 72103, 72083)
93-3190
48
R-Clamp
18-2970
49
Cable
98-0707
50
Module-NMIR
99-3700
51
Switch-Starter (Incl. Ref.
46-5780
52
Capscrew
321-4
53
Decal-Danger Intl (Only On: 72070)
99-2986
Lists
Toro
Roth / TORO
Ride-On Mowers
Traktor
Rider
HMR 1600
12-32 E
12-32
11-32
10-32 E
8-25
372/70122
210000001
200000001
9900001
Engine B&S Model 195707-0421-E1
Transmission Peerlesss Model 700-025
Cutting Unit Assy.
Differential Assy.
Rear Axle Assy.
Electrical Schematic
Engine Assy.
Transmission & Linkage Assy. (Cont.)
Transmission & Linkage Assy.
Rear Body Assy.
Front Axle Assy.
Seat & Fuel Tank Assy.
Frame Assy.
Front Body Assy.
372/70060
110-4E
110-4
Mower decks
Attachements
Hand operated
Robin
Terms and Conditions
(C) by motoruf