back to
>
Mowers
>
Petrol
>
Drive from 43 cm on
>
series 6
>
6.51 BA
>
Chassis
Spare Parts Lists for Wolf Mowers Chassis
spare parts list 1
spare parts list 2
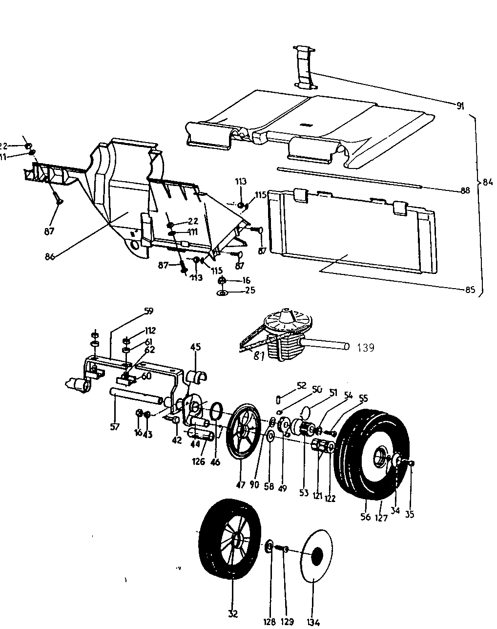
pos.
decription
spare part number
1
6950 300
2
Screw
6948 110
3
Retainer-E Ring
6925 301
4
6950 501
5
Threaded Pin
6912 502
6
6905 400
7
Starter Dog
6912 401
8
Starter Dog
6925 500
10
Washer
4289 403
12
Screw
6905 401
13
Insulator
6930 301
14
Lower Handlebar
6930 100
15
Screw
6930 101
17
Isolator6.51Ba
6930 102
18
Handlebar Holder
6930 103
19
6950 102
20
4252 215
21
6950 103
23
6950 104
24
Arm
6920 301
26
Spring
6920 508
27
6930 502
28
6930 503
29
Arm
4249 501
30
Washer
0017 831
31
Washer
6920 501
33
Washer
0017 291
34
Washer
6905 501
36
Bush
4249 505
37
Rubber Buffer
6920 502
38
Axle Support
6920 507
39
6950 105
40
Washer
0017 121
41
Cover
6920 515
48
Screw
6948113
63
6930 505
64
Screw
6901111
65
6950 117
66
Button
4277104
67
6950 118
68
Cover
6930 303
69
Screw
6930 304
92
"Wolf-Garten" Brand
0051 146
99
Washer
6920 302
103
6930 512
108
6950 119
109
Screw
0015 684
110
Nut
4252 213
114
Washer
6948 121
130
4693 200
131
4693 102
132
Gum
6950 100
133
Screw
0015 653
135
6950 120
136
Lever
6930 302
137
Spring
6925 203
138
6950 121
139
6950 056
pos.
decription
spare part number
11
Washer spring
0017 911
16
Nut
6948 300
22
Nut
0016 311
25
Washer
6948 307
32
Wheel ø 200 mm
6950 040
35
Screw
6948 112
42
6950 106
43
6930 504
44
Axle Half
6925 053
44a
6950 107
45
Bearing Shell
6925 506
46
Washer
6912 508
47
Hub Cap
6912 506
49
Free Running
4277 505
50
Starter Dog
4277 504
51
Spring
6948109
52
Pin-Counterweight
6948 117
53
Toothed Wheel
4277 507
54
Washer
6912 505
55
Screw
0011 444
56
Driving Wheel
6930 051
58
Washer
6948111
59
6950 115
59a
6950 116
60
Clamp-Casing
6925 504
61
Spacer Block
6925 502
62
Screw
6948 116
81
6930 509
84
6950 020
85
Baffle Plate
6930 305
86
Deflector-Muffler
6930 306
87
Screw
0013 640
88
Rod
6930 307
90
Washer
0017 282
91
Belt
6930 309
111
Flat Washer 5.3 Din 9021 B
0017 287
113
Nut
0016 211
115
Washer
6948 124
121
Bushing
6930 514
122
4252 214
126
Retainer-E Ring
6948 108
127
Washer
0017 289
128
Washer
6966110
129
Screw
6966111
134
6966 504
Lists
Wolf
Handtools
Hedge-shears
Secateurs
Grass-shears
Loppers
Tree Lopper
Tree care
Illumination, Ambiance
Battery-shears
Shredders
Saws
Grass-Trimmers
Reel-mowers
Spreaders / Portax
Irrigation
Scarifiers / Aerators
Mowers
Accu
Petrol
Without drive up to 42 cm
Without drive from 43 cm on
Drive up to 42 cm
Drive from 43 cm on
series 2
series 4
series 6
6.51 BA
6.46 BA
6.46 BAM
6.51 BA
Data Sheet
Chassis
Handlebar
XE 55 I/C
Moto-Verte
Concept
Premio
Power Edition
Esprit
Others
Electric start / Touch 'n Mow
Electro
Ride-on Mowers
Petrol engines
Optional extras
Terms and Conditions
(C) by motoruf