back to
>
Ride-on Mowers
>
Scooter
>
OHV
>
Scooter OHV 3
>
Centura 65 OHV
>
Electro starter
Spare Parts Lists for Wolf Ride-on Mowers Electro starter
pos.
decription
spare part number
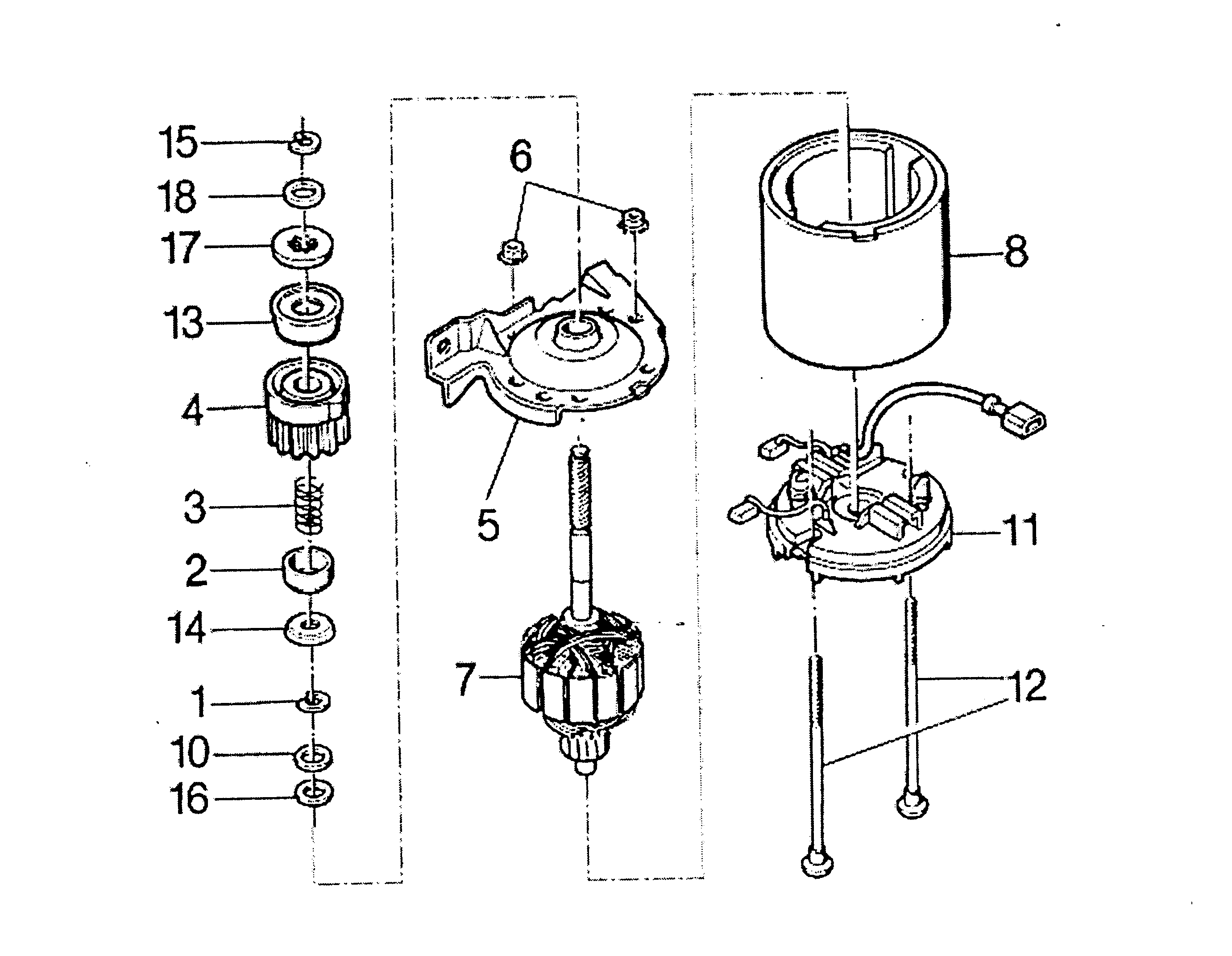
1
Retainer-E Ring
2085 504
2
Brake cap
2082 602
3
Spring
2082 603
4
Pinion
2082 604
5
Cap
2082 605
6
Nut
2082 606
7
Spring
2085 607
8
Case
2038 309
10
Thrust Washer
2082 608
11
Bearing cover
2082 609
12
Bolt
2082 610
13
Driver
2082 611
14
Washer
2082 612
15
Spring
2082 613
16
Washer
2082 614
17
Starter Dog
2082 615
18
Washer
2082 616
***
Starter-Rewind
2085 063
Lists
Wolf
Handtools
Hedge-shears
Secateurs
Grass-shears
Loppers
Tree Lopper
Tree care
Illumination, Ambiance
Battery-shears
Shredders
Saws
Grass-Trimmers
Reel-mowers
Spreaders / Portax
Irrigation
Scarifiers / Aerators
Mowers
Ride-on Mowers
Scooter
SV
OHV
Scooter OHV 3
Scooter OHV 3
Data Sheet
Upper frame, Steering
Lower frame, Height-adjustment
Drive, Running gear
Mower housing
Covers, Seat
Grass collector, Rear flap
Cable form, Connection diagram
Futura 60 ES
Centura 65 OHV
Engine
Carburetor
Electro starter
Scooter OHV 3
Scooter OHV 3
Scooter OHV 3
Scooter OHV 3
Scooter OHV 3
Moto Verte
Gear
Cart
Trac
Petrol engines
Optional extras
Terms and Conditions
(C) by motoruf