back to
>
Petrol engines
>
Tecumseh
>
Synergy
>
Synergy 38 ES
>
Motor (1)
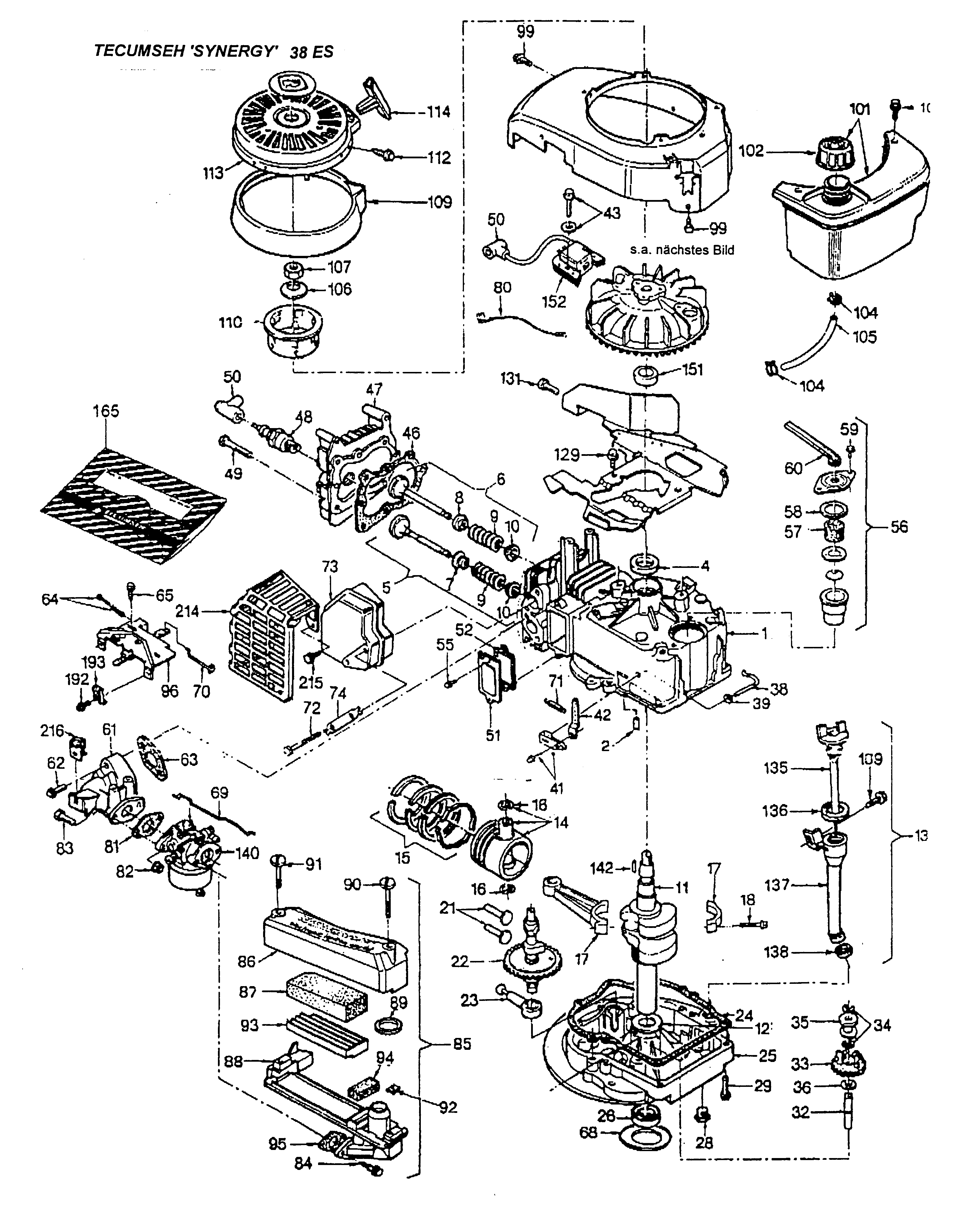
Spare Parts Lists for Wolf Petrol engines Motor (1)
pos.
decription
spare part number
1
Cylinder
2031 052
2
Pin-Counterweight
1032 201
4
Seal-Governor Shaft
1005 202
5
Intake Valve
1032 203
6
Exhaust Valve
2085 056
7
Oil Seal
2031 215
8
Valve
2027 204
9
Valve-Spring
2031 113
10
Valve
1005 209
11
Crankshaft
2085 200
12
Thrust Bearing
2025 208
14
Piston assembly
1039 102
15
Piston Ring Set
1039 103
16
Retainer-E Ring
1032 103
17
Pod-Connecting
2036 202
18
Screw
2036 201
21
Bolt
2031 114
22
Camshaft
2036 203
23
Pump Oil
2026 206
24
Seal
1032 223
25
Flange
2027 201
26
Oil Seal
1005 217
28
Oil Drain Plug
2030 209
29
Screw
1038 209
32
Govenor Shaft
1032 225
33
Governor Gear
1032 230
34
Washer Spring
1032 231
35
Governor Spool
1032 232
36
Washer
2026 205
38
Govenor Shaft
2026 208
39
Washer
1032 236
41
Lever
2031 117
42
Govenor Lever
2085 202
43
Screw
2085 222
46
Seal
1032 112
47
Head-Cylinder
2033 100
48
Plug-Spark
2058 305
49
Screw
2030 203
50
Spark Plug Socket
2085 301
51
Valve Cover
2087 301
52
Seal
1032 306
55
Screw
2031 201
56
Breather
2031 531
57
Breather element
2087 303
58
Seal
2085 309
59
Screw
2085 310
60
Breather Tube
2031 532
61
Inlet Pipe
2033 250
62
Screw
2085 404
63
Seal
2031 221
64
Screw
2031 210
65
Screw
2085 310
68
Cover
2026 204
69
Joint
2085 214
70
Joint
2085 215
71
Spring - Governor
1032 486
72
Screw
2030 200
73
Muffler
2033 010
74
Holding Plate
2025 209
80
Harness-Alternator
2033 110
81
Seal
1037 400
82
Nut
2085 403
83
Screw
2031 202
84
Screw
2031 203
85
Filter-Pre Cleaner
2031 056
86
Air Filter Cover
2031 401
87
Filter Element
2031 405
88
Air Cleaner Case
2031 408
89
Seal
2087 409
90
Screw
2031 204
91
Screw
2031 205
92
Nut
2031 220
93
Air Cleaner Fence
2031 410
94
Breather Element
2031 112
95
Seal
2027 403
96
Holding Plate
2031 118
99
Screw
1032 315
101
Fuel Tank
2031 057
102
Fuel Cap
2085 500
103
Screw
2026 215
104
Clip
2030 501
105
Line-Fuel
2026 500
106
Washer
2026 606
107
Nut
2026 607
109
Ring
2033 505
110
Cup-Flywheel
2035 601
112
Screw
2085 614
113
Starter-Rewind
2085 052
114
Handle
2030 601
129
Screw
2085 320
131
Screw
2085 310
134
Oil Filler Assy.
2031 075
135
Oil Dipstick Gasket
2031 255
136
Seal
2031 452
137
Tube-Dipstick
2031 250
138
Seal
2027 208
140
Carburetor
2033 020
142
Key-Pulley
2030 201
151
Spacer Block
2085 304
152
Armature-Magneto
2030 055
165
Seal Set
2031 058
192
Screw
2085 404
193
Arm
1038 402
214
Muffler Guard
2033 325
215
Screw
2031 207
216
Clamp
2033 326
Lists
Wolf
Handtools
Hedge-shears
Secateurs
Grass-shears
Loppers
Tree Lopper
Tree care
Illumination, Ambiance
Battery-shears
Shredders
Saws
Grass-Trimmers
Reel-mowers
Spreaders / Portax
Irrigation
Scarifiers / Aerators
Mowers
Ride-on Mowers
Petrol engines
Tecumseh
Prisma
Centura
Futura
Synergy
Synergy 38 ES
Motor (1)
Motor (2)
Carburetor
Alternator Synergy
Vantage
VLV
Briggs & Stratton
Honda
Kawasaki
Optional extras
Terms and Conditions
(C) by motoruf