back to
>
Roth / TORO
>
Hand operated
>
Lawnmower
>
2-stroke SP
>
237/22045
>
7900001
>
Engine Assy.
Spare Parts Lists for Toro Roth / TORO Engine Assy.
pos.
decription
spare part number
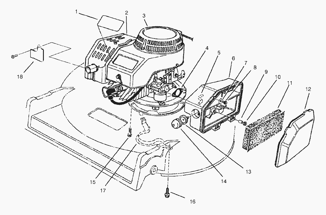
1
Decal-Pro Line
71-1260
2
Engine-Complete
51-0404
3
Decal-Recoil
77-0040
4
DICHTUNG
81-0090
5
Hose-Primer
44-3172
6
Body-Air Cleaner
63-9330
7
SCHEIBE
3256-16
8
SCHRAUBE
51-2690
9
Spacer
62-3980
10
Nut-Lock
50-7180
11
Element-Air Cleaner
63-9380
12
Cover-Air Cleaner
63-9340
13
Body-Primer
44-2750
14
Bulb-Primer
66-7460
15
Screw-Hex. Flange Hd.
66-9300
16
Self Tapping Screw
32144-70
17
Guide-Belt
66-0570
18
Guard-Muffler Extension
93-7661
Lists
Toro
Roth / TORO
Ride-On Mowers
Hand operated
Sweeper
Snowthrower
Vac/Blower
Lawnmower
Grass Baggers
4-stroke SP
4-stroke
2-stroke SP
295/26643
295/26643 B
295/26640 BC
295/26640 B
287/20916B
277
255/22700 BC
255/22700
239
237/22045
210000001
9900001
8900001
7900001
Carburetor Assy. (Model No. 47PS5-7)(Model No. 22045B)(Model No. 47PT6-7)(Model No. 22045)
Recoil Assy. (Model No. 47PS5-7)(Model No. 22045B)(Model No. 47PT6-7)(Model No. 22045)
Governor Assy. (Model No. 47PS5-7)(Model No. 22045B)(Model No. 47PT6-7)(Model No. 22045)
Ignition Assy. (Model No. 47PS5-7)(Model No. 22045B)(Model No. 47PT6-7)(Model No. 22045)
Muffler Assy. (Model No. 47PS5-7)(Model No. 22045B)(Model No. 47PT6-7)(Model No. 22045)
ShortBlock Assy. (Model No. 47PS5-7)(Model No. 22045B)(Model No. 47PT6-7)(Model No. 22045)
Bag Assy. No. 11-5609
Fuel Tank Assy.
Handle Assy.
Traction Control Assy.
Gearbox Assy. (Cont.)
Blade Brake Clutch Assy.
Gearbox Assy.
Engine Assy.
Housing Assy. (Cont.)
Housing Assy.
237/22045 B
237/22044 BC
237/22036
237/22035
234
224
222/16212 WG
2-stroke
Electric
Battery
Robin
Terms and Conditions
(C) by motoruf