back to
>
Roth / TORO
>
Hand operated
>
Lawnmower
>
Electric
>
155
>
300000
>
Engine Assy.
Spare Parts Lists for Toro Roth / TORO Engine Assy.
pos.
decription
spare part number
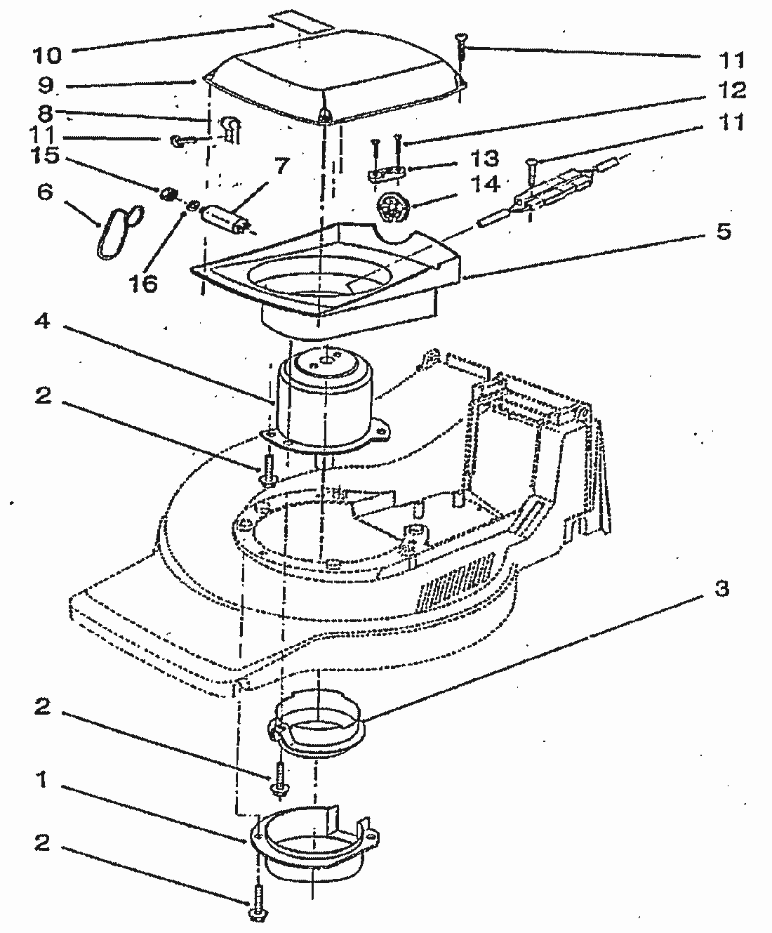
1
19600
2
SCHRAUBE
13317
3
19592
4
19596
5
19598
6
RUNDGUMMI
13528
7
19597
8
KLEMME
18664
9
HAUBE
18276
10
19594
11
SCHRAUBE
19159
12
19890
13
ZUGENTSLASTUNGSSCHELLE
19891
14
ADAPTER
18958
15
MUTTER
03770
16
SCHEIBE
09571
Lists
Toro
Roth / TORO
Ride-On Mowers
Hand operated
Sweeper
Snowthrower
Vac/Blower
Lawnmower
Grass Baggers
4-stroke SP
4-stroke
2-stroke SP
2-stroke
Electric
170
155
350000
340000
330000
320000
310000
300000
Bag
Handle
Rear Axle
Blade
Engine Assy.
Partslist
290000
150
140
134
125
105
104
103
102
Battery
Robin
Terms and Conditions
(C) by motoruf