back to
>
Roth / TORO
>
Hand operated
>
Lawnmower
>
2-stroke SP
>
224
>
340000
>
Flywheel and Ignition
Spare Parts Lists for Toro Roth / TORO Flywheel and Ignition
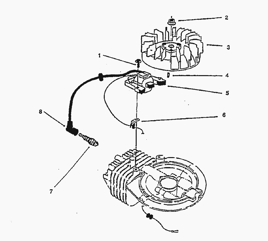
pos.
decription
spare part number
1
SCHRAUBE
81-5680
2
MUTTER
81-1330
3
SCHWUNGSCHEIBE
81-2810
4
KEIL
81-2370
5
ZUENDSPULE
81-2820
6
KLEMME
81-1480
7
ZUENDKERZE
50-1170
8
ZUENDKERZENSTECKER
81-1500
Lists
Toro
Roth / TORO
Ride-On Mowers
Hand operated
Sweeper
Snowthrower
Vac/Blower
Lawnmower
Grass Baggers
4-stroke SP
4-stroke
2-stroke SP
295/26643
295/26643 B
295/26640 BC
295/26640 B
287/20916B
277
255/22700 BC
255/22700
239
237/22045
237/22045 B
237/22044 BC
237/22036
237/22035
234
224
350000
340000
Carburetor
Flywheel and Ignition
Recoil Starter
Engine Governor
ShortBlock
Muffler
Engine Assy.
Engine Stop Assy.
Motor
Gearbox
Mower
330000
320000
310000
300000
290000
280000
270000
260000
250000
240000
230000
222/16212 WG
2-stroke
Electric
Battery
Robin
Terms and Conditions
(C) by motoruf