back to
>
Roth / TORO
>
Hand operated
>
Lawnmower
>
2-stroke SP
>
224
>
340000
>
ShortBlock
Spare Parts Lists for Toro Roth / TORO ShortBlock
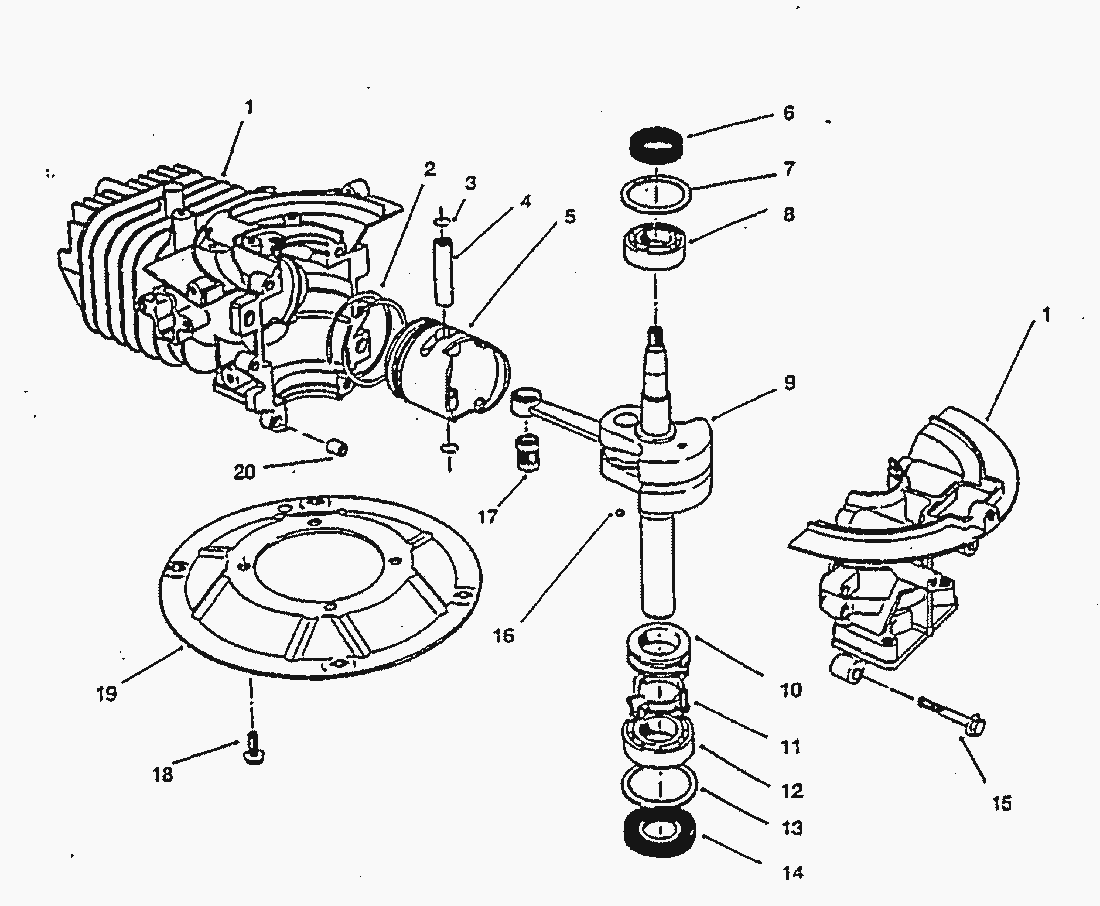
pos.
decription
spare part number
1
KURBELGEH. MIT ZYLINDER
81-2800
2
KOLBENRINGSATZ
81-0590
3
SICHERUNG
81-0620
4
KOLBENBOLZEN
81-0600
5
KOLBEN
81-0580
6
SIMMERRING
81-0720
7
SCHEIBE
81-0710
8
LAGER
81-0690
9
KURBELWELLE INNENGEWINDE
81-4600
10
REGLERRING
81-0770
11
REGLERHALTER
81-0750
12
LAGER
81-0700
13
SCHEIBE
81-0730
14
SIMMERRING
81-0740
15
SCHRAUBE
81-0540
16
STIFT
81-0760
17
PLEUELLAGER
81-0610
18
SCHRAUBE
81-0570
19
MOTORPLATTE
81-0560
20
STIFT
81-0520
Lists
Toro
Roth / TORO
Ride-On Mowers
Hand operated
Sweeper
Snowthrower
Vac/Blower
Lawnmower
Grass Baggers
4-stroke SP
4-stroke
2-stroke SP
295/26643
295/26643 B
295/26640 BC
295/26640 B
287/20916B
277
255/22700 BC
255/22700
239
237/22045
237/22045 B
237/22044 BC
237/22036
237/22035
234
224
350000
340000
Carburetor
Flywheel and Ignition
Recoil Starter
Engine Governor
ShortBlock
Muffler
Engine Assy.
Engine Stop Assy.
Motor
Gearbox
Mower
330000
320000
310000
300000
290000
280000
270000
260000
250000
240000
230000
222/16212 WG
2-stroke
Electric
Battery
Robin
Terms and Conditions
(C) by motoruf