back to
motoruf
Warenkorb

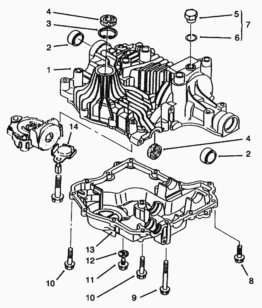
Spare Parts Lists for Toro Roth / TORO Transaxle Case




spare parts list


pos.decriptionspare part number
1Upper Case ASM Incl 2-694-4206
2
3Ring (Only On: 72083, 72043, 72103, 72063)93-0360
4Seal (Only On: 72083, 72043, 72103, 72063)93-0361
5
6
7Plug/Packing INC 5-6 (Only On: 72083, 72043, 72103, 72063)93-0356
8Screw-TAP93-4363
9Bolt (Only On: 72083, 72043, 72103, 72063)93-0354
10Screw-TAP (Only On: 72083, 72043, 72103, 72063)93-0364
11Bolt (Only On: 72083, 72043, 72103, 72063)93-0362
13Case-Lower94-4207
14Magnet (Only On: 72083, 72043, 72103, 72063)93-0355
Lists
Toro
Terms and Conditions
(C) by motoruf