back to
>
Mowers
>
Petrol
>
Drive from 43 cm on
>
series 6
>
6.46 BAM
>
Chassis
Spare Parts Lists for Wolf Mowers Chassis
pos.
decription
spare part number
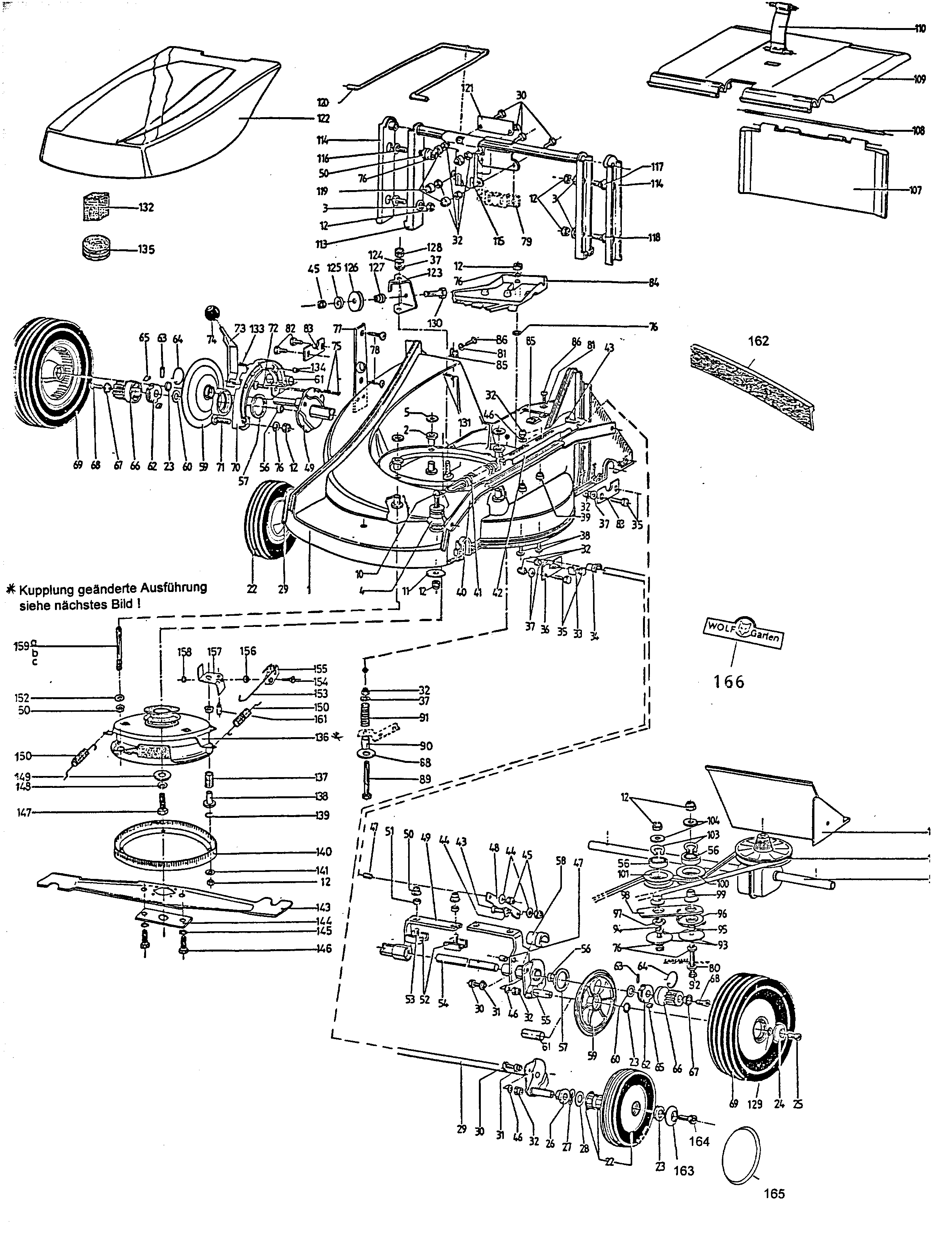
34
Bush
4249 505
35
Screw
6948113
36
Axle Support
6920 507
37
Washer
0017 121
38
bend protection
6905 105
39
Bush
6955 109
40
Rod
6920 506
41
Spring
6920 508
42
Spring Retainer
6920 509
43
Screw
6948114
44
Washer
6948115
45
Nut
6948 312
46
Flat Washer 5.3 Din 9021 B
0017 287
47
Bush
6920 510
48
Lever
6920 511
49
Axle Holder
6948 106
50
Stop nut
6948 301
51
Spacer Block
6925 502
52
Clamp-Casing
6925 504
53
Screw
6948 116
54
Axle
6910 516
55
Bolt
6948 107
56
Bearing
6955 312
57
Washer
6912 508
58
Bearing Shell
6925 506
59
Hub Cap
6912 506
60
Washer
0017 282
61
Retainer-E Ring
6948 108
62
Free Running
4277 505
63
Pin-Counterweight
6948 117
64
Spring
6948109
65
Starter Dog
4277 504
66
Toothed Wheel
4277 507
67
Washer
6912 505
68
Screw
0011 444
69
Driving Wheel
6912 050
70
Snap-In Locking Device
6920 513
71
Screw
0013 655
73
Lever(Replaces 6930506)
6930 506
74
Ball
6912 122
75
Pin
6948118
76
Washer
6948 307
77
Arm
6905 309
78
Screw
6948 119
79
Clamp
6905 104
80
Washer
6948 120
81
Washer
6948 121
82
Screw
0010 365
83
Cover
6920 515
84
Cover
6912 301
85
Clip
4224 218
86
Screw
0015 684
88
Washer
0017 556
89
Screw
0010 305
90
Shell
6925 202
91
Spring
6925 203
92
Screw
6948 123
93
Washer
6925 507
94
Screw
6948 310
95
Shell
6925 508
96
Throttle Return Spring
6925 509
97
Shell
6925 510
98
Console
6925 511
99
Bush
6925 512
100
Pulley-Camshaft
6925 513
101
Pulley-Camshaft
6955 521
103
Circlip
4252 554
104
Washer
6925 514
105
Drive Belt 42Cm
6925 515
106
Deflector-Muffler
6905 307
107
Baffle Plate
6905 306
108
Rod
6905 304
109
Rear Flap
6905 305
110
Belt
6905 303
113
Handlebar Holder
6905 018
114
Insulator
6905 308
115
Arm
6920 303
116
Screw
0013 652
117
Screw
0013 654
118
Screw
0013 653
119
Cap
6905 211
120
Shackle
6920 304
121
Plate-Carburetor
6920 305
122
cover
6920 306
123
Arm
6912 514
124
Washer
6948 124
125
Flat Washer 5.3 Din 9021 B
0017 287
126
Pulley-Camshaft
6948 318
127
Stud Bolt
6912 515
128
Nut
0016 211
129
Washer
0017 289
130
Screw
6948 125
131
Screw
0013 640
132
Foamed Material
6925 304
133
Screw
6948126
134
Bush
6920 516
135
Washer
6925 305
136
Brake
6948 302
137
Spring
6948 303
138
Routing Clip
6948 304
139
Retainer-E Ring
6948 305
140
Clutch-Drive
6948 306
141
Washer
6948 307
143
Blade
6948 308
144
Plate-Carburetor
6923 400
145
Washer
6948 309
146
Hex Screw M8X25-Din 933 8.8
0010 125
147
Screw
6905 401
148
Washer spring
0017 911
149
Washer
6948 311
150
Spring
6923 304
152
Washer
6925 514
153
Rod
6923 302
154
Screw
0011 446
155
Eccentric
6923 301
156
Stud Bolt
6912 515
157
Arm
6923 300
158
Nut
6948 312
159a
Threaded Pin
6948 313
159b
Threaded Pin
6948 314
159c
Threaded Pin
6948 315
160
Gasket
6948 316
161
Tension Spring
6948 317
162
Rubber edge
6905 114
162
Gum
6905 100
163
Washer
6966110
164
Screw
6966111
165
Cover
6966 506
166
"Wolf-Garten" Brand
0051 146
****
Instruction Manual
0054 099
****
Safety Label
0051 224
Lists
Wolf
Handtools
Hedge-shears
Secateurs
Grass-shears
Loppers
Tree Lopper
Tree care
Illumination, Ambiance
Battery-shears
Shredders
Saws
Grass-Trimmers
Reel-mowers
Spreaders / Portax
Irrigation
Scarifiers / Aerators
Mowers
Accu
Petrol
Without drive up to 42 cm
Without drive from 43 cm on
Drive up to 42 cm
Drive from 43 cm on
series 2
series 4
series 6
6.51 BA
6.46 BA
6.46 BAM
Data Sheet
Upper Handlebar, Blade stop
Chassis
Blade clutch
XE, XTE, XTL 35/40/45/50-I/C-ES
XE, XTE 35/40-50/55
6.51 BA
Moto-Verte
Concept
Premio
Power Edition
Esprit
Others
Electric start / Touch 'n Mow
Electro
Ride-on Mowers
Petrol engines
Optional extras
Terms and Conditions
(C) by motoruf