back to
>
Mowers
>
Petrol
>
Drive from 43 cm on
>
series 6
>
6.46 BAM
>
Upper Handlebar, Blade stop
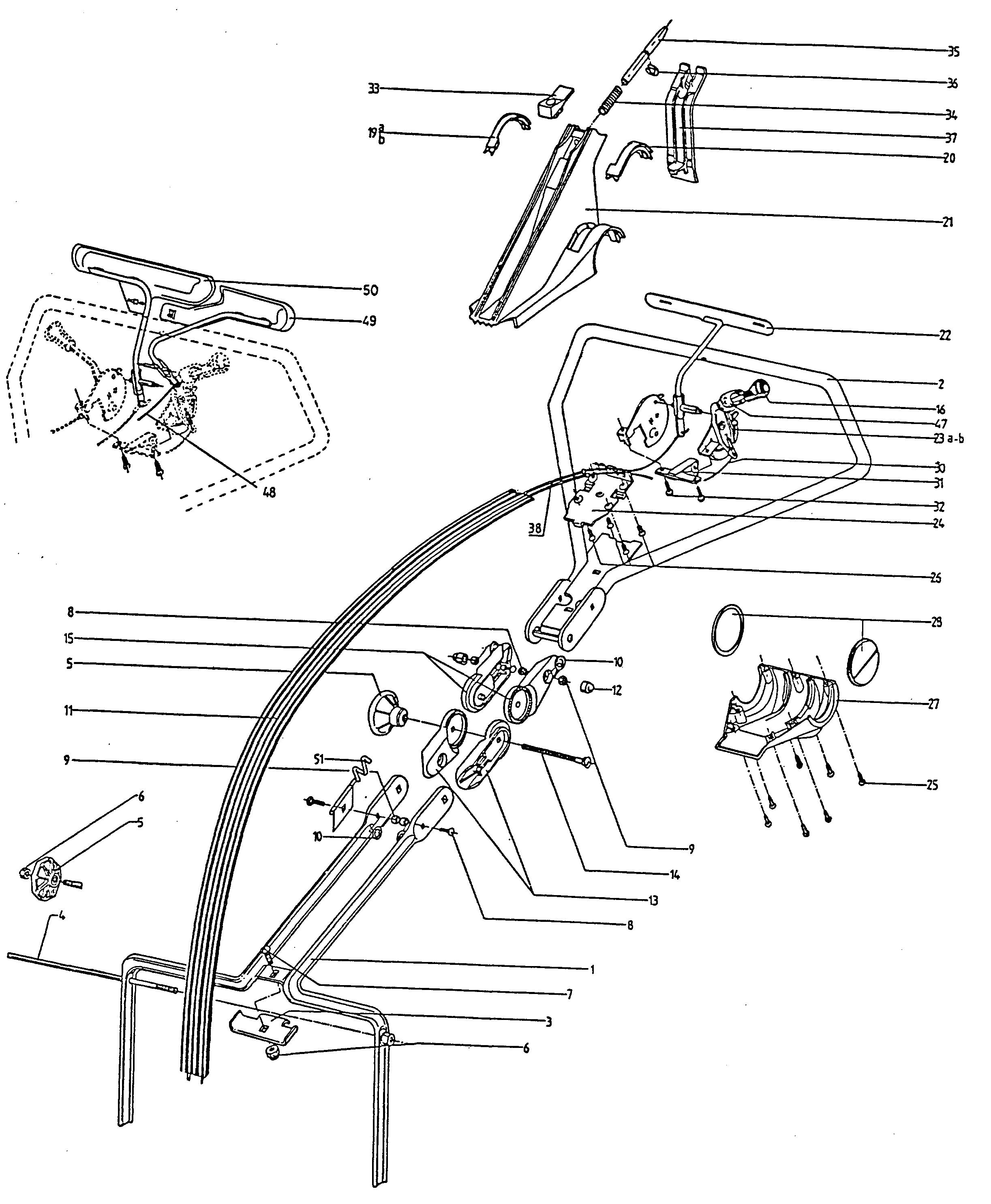
Spare Parts Lists for Wolf Mowers Upper Handlebar, Blade stop
pos.
decription
spare part number
1
Handlebar
6905 011
2
Upper Handlebar
6912 012
3
Clamp
6905 103
4
Connecting Bar
6905 101
5
Handwheel
6905 102
6
Nut
6948 300
7
Screw
0013 665
8
Screw
6948 110
9
Nut
0016 311
10
Washer
0017 121
11
bend protection
6912 105
12
Cap
6905 211
13
Bracket6.51Ba
6905 107
14
Screw
6905 110
15
Bracket6.51Ba
6905 112
19a
Cover
6930 112
19b
Cover
6925 111
20
Cover
6912 113
21
Upper Casing6.46Ba
6912 112
22
Bracket Bracket
6912 104
23a
Lever
6948 127
23b
Star Wheel
6925 112
24
Plate-Carburetor
6912 107
25
Screw
6912 127
26
Screw
6912 126
27
Handle Insulator
6912 111
28
Satellit
6905 109
30
Cable (Vario)
6925 109
31
Connector
6912 106
32
Screw
6912 129
33
Button
6912 114
34
Spring
6912 115
35
Locking Bar
6912 116
36
Retainer-E Ring
6912 128
37
Cover
6912 117
38
Cable (Drive)
6925 103
47
Collar
6930 114
48
Bowden Wire Brake
6923 102
49
Bracket Bracket
6923 101
50
Bracket Bracket
6923 100
51
Guide-Rope
6925 114
Lists
Wolf
Handtools
Hedge-shears
Secateurs
Grass-shears
Loppers
Tree Lopper
Tree care
Illumination, Ambiance
Battery-shears
Shredders
Saws
Grass-Trimmers
Reel-mowers
Spreaders / Portax
Irrigation
Scarifiers / Aerators
Mowers
Accu
Petrol
Without drive up to 42 cm
Without drive from 43 cm on
Drive up to 42 cm
Drive from 43 cm on
series 2
series 4
series 6
6.51 BA
6.46 BA
6.46 BAM
Data Sheet
Upper Handlebar, Blade stop
Chassis
Blade clutch
XE, XTE, XTL 35/40/45/50-I/C-ES
XE, XTE 35/40-50/55
6.51 BA
Moto-Verte
Concept
Premio
Power Edition
Esprit
Others
Electric start / Touch 'n Mow
Electro
Ride-on Mowers
Petrol engines
Optional extras
Terms and Conditions
(C) by motoruf