back to
>
Reel-mowers
>
Accu
>
TC 32 MAC
>
Connection diagram
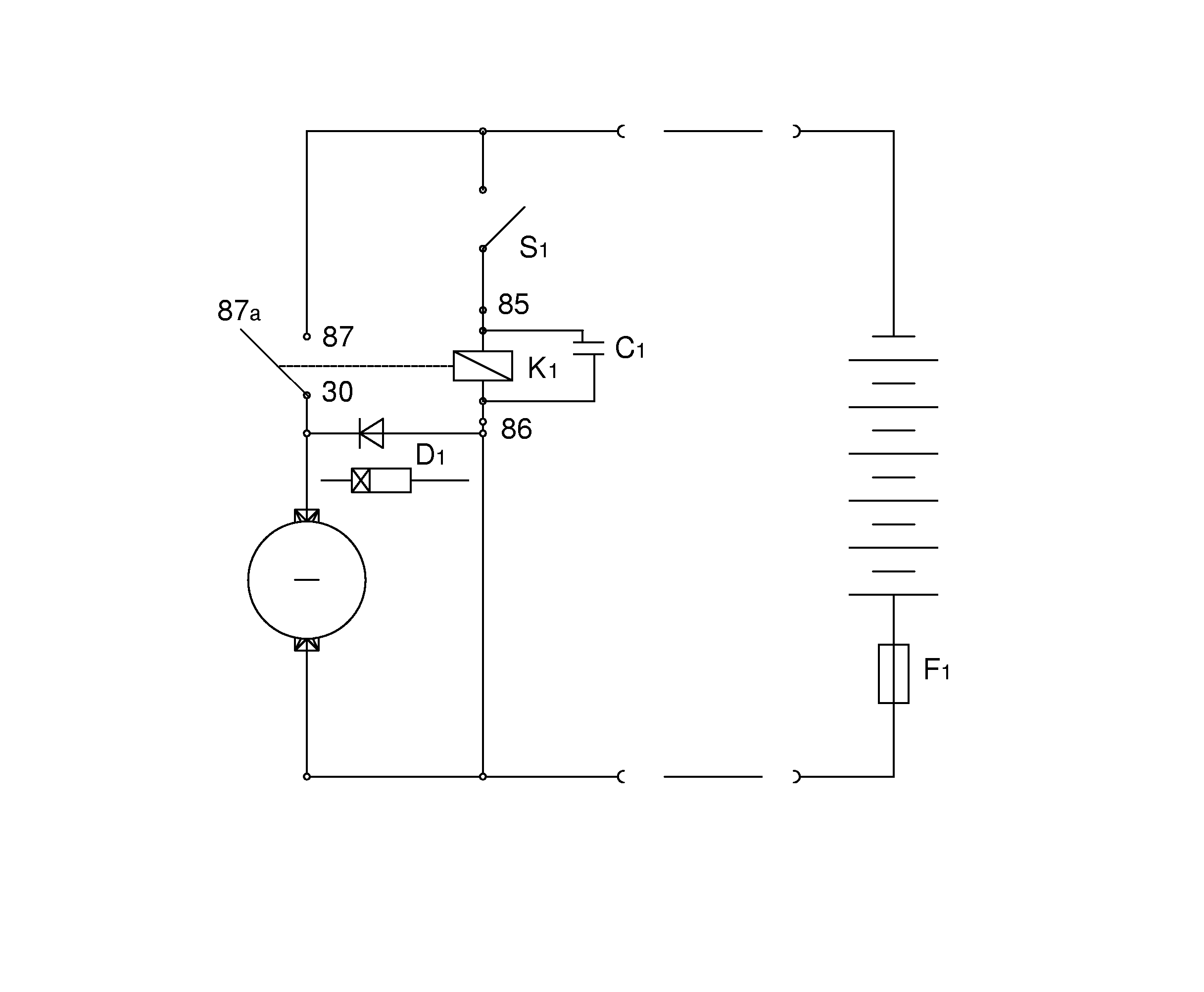
Spare Parts Lists for Wolf Reel-mowers Connection diagram
pos.
decription
spare part number
C1
Kondensator
D1
Diode
F1
Überstromauslöser
S1
Geräteschalter
K1
Relais
Lists
Wolf
Handtools
Hedge-shears
Secateurs
Grass-shears
Loppers
Tree Lopper
Tree care
Illumination, Ambiance
Battery-shears
Shredders
Saws
Grass-Trimmers
Reel-mowers
Electro
Accu
TC 32 MAC
Data Sheet
Chassis, Wheels, Blades
Motor, Covers, Battery
Handlebar, Switch
Cable form
Connection diagram
Grass collector FS32
Mach
Standard
Spreaders / Portax
Irrigation
Scarifiers / Aerators
Mowers
Ride-on Mowers
Petrol engines
Optional extras
Terms and Conditions
(C) by motoruf