back to
>
Roth / TORO
>
Ride-On Mowers
>
Traktor
>
212-H
>
303/R2-12OE02
>
2000001
>
12HP Engine Cylinder Block Assy.
Spare Parts Lists for Toro Roth / TORO 12HP Engine Cylinder Block Assy.
pos.
decription
spare part number
NN10589
NN10581
NN10580
NN10579
pos.
decription
spare part number
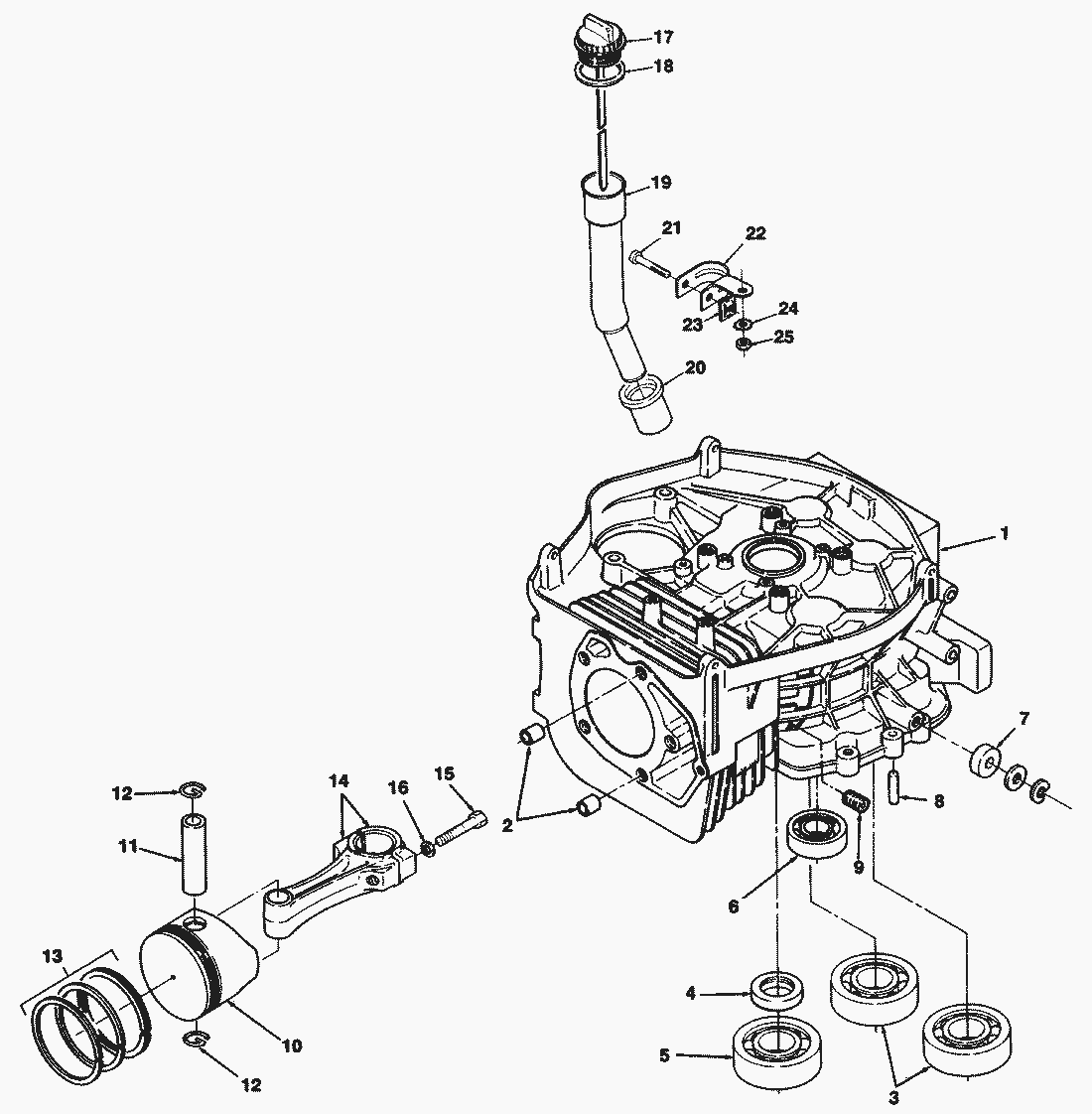
1
Block-Cylinder
NN10852
2
Pin-Dowel
NN10626
3
Bearing-Ball
NN10678
4
Seal-Oil
NN10569
5
Bearing-Crankshaft
NN10570
6
Bearing-Camshaft
NN10571
7
Seal-Governor Shaft
NN10646
8
Pin-Alignment
79-5840
9
Plug-Pipe
NN10653
11
Pin-Piston
NN10582
12
Ring-Retaining
NN10583
13
Set-Piston Ring (Standard)
NN10584
Set-Piston Ring (.25mm Oversize)
NN10585
Set-Piston Ring (.50mm Oversize)
NN10586
14
Kit-Connecting Rod (Standard)(Incl. Ref.
NN10587
Kit-Connecting Rod (.25mm Undersize)(Incl. Ref. 15 & 16)
NN10588
15
Bolt
NN10590
16
Washer
NN10591
17
Indicator (Incl. Ref.
NN10688
18
Seal-O-Ring
57-9610
19
Tube
NN10689
20
Seal
NN10690
21
Screw
82-1560
22
Bracket-Support
NN10691
23
Nut-Speed
82-1700
24
Washer-Lock
NN10740
25
Nut
NN10768
Lists
Toro
Roth / TORO
Ride-On Mowers
Traktor
264-6
246 HE
244-5
212-H
303/R2-12OE02
2000001
Decal & Misc. Parts Assy.
12HP Engine Carburetor Assy.
12HP Engine Starter Assy.
12HP Engine Flywheel & Cover Assy.
12HP Engine Governor Linkage & Cover Assy.
12HP Engine Air Cleaner Assy.
12HP Engine Ignition Assy.
12HP Engine Cylinder Head & Valves Assy.
12HP Engine Oil Base & Pump Assy.
12HP Engine Crankshaft & Camshaft Assy.
12HP Engine Cylinder Block Assy.
Engine Fuel & Exhaust Assy.
Engine Pulley & PTO Clutch Assy.
Brake & Idler Assy. (212-H)
Transmission Linkage Assy. (212-H)
Sweeper P.T.O. Assy. (212-H)
Transmission Assy. (210-H & 212-H)
Brake & Idler Assy. (212-5)
Sweeper P.T.O. Assy. (212-5)
Peerless Transmission Model No. 930-020* (212-5)
Transmission Assy. (212-5)
Wheel & Tire Assy.
Front Axle & Steering Assy.
Electrical System Assy.
Frame Assy.
Seat Assy.
Body Assy.
303/R2-12OE01
212-5
17-44 HXLE
16-44 HXL
16-38 HXL
16-38 XLE
15-44 HXL
15-38 HXL
14-38 HXL
14-38 XL
13-38 HXL
13-38 XL
13-32 XLE
12-38 HXL
12-38 XL
12-32 XL
264 H
265 H
267 H
268 H
270 H
520 xi
520 Lxi
523 Dxi
Rider
Mower decks
Attachements
Hand operated
Robin
Terms and Conditions
(C) by motoruf